Качественные детали и логистика
Оригинальные и аналоговые запчасти с доставкой по России, Казахстану и Беларуси
©2022 PartSell ООО "Система" ИНН 2463123282 ОГРН 1212400004838
Центральный офис: г. Красноярск, Академика Киренского, д.87, пом.4
Телефон: 8 (800) 777-65-74 Email: zakaz@partsell.ru
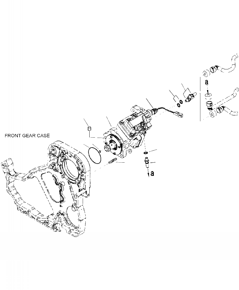
A-AA ТОПЛИВН. НАСОС
№
Артикул
Название
Примечание
Количество
1
6745-71-1130
WASHER, SEALING
2
6745-71-6130
CONNECTION, ADAPTER
3
6745-71-1170
PUMP ASSEMBLY, FUEL
4
6744-71-1020
DOWEL, PIN
5
1317 937 H91
ACTUATOR, FUEL CONTROL
Выбрано товаров: 0