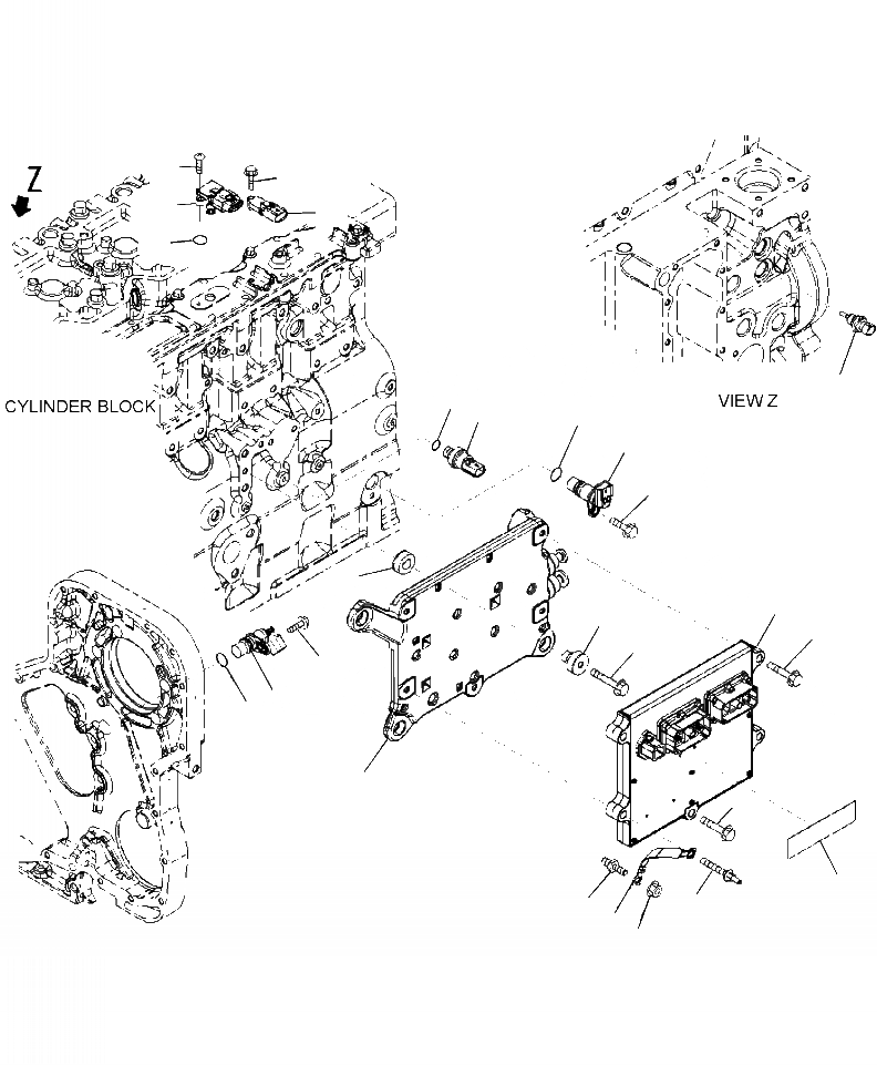
Запчасти Komatsu PC300HD-8 A-AA УПРАВЛ-Е ДВИГАТЕЛЕМ MODULE И ДАТЧИКS ДВИГАТЕЛЬ

Схема запчастей Komatsu PC300HD-8 - A-AA УПРАВЛ-Е ДВИГАТЕЛЕМ MODULE И ДАТЧИКS ДВИГАТЕЛЬ
17
12
25
20
24
23
22
21
4
3
8
15
19
16
9
10
11
1
2
18
9
5
13
6
14
7
FIT
1:1
100%

Артикул

Название

Примечание

Количество

|$0

6754-81-9200

SENSOR ASSEMBLY, POSITION

1

NSS

SENSOR, POSITION

2

6261-81-2920

SEAL, O-RING

|$3

6261-81-2902

SENSOR ASSEMBLY, POSITION

3

NSS

SENSOR, POSITION

4

6271-81-9220

SEAL, O-RING

5

6216-84-2130

DATAPLATE

6

6745-81-9440

BOLT (M8-1.25x15)

7

6732-71-3210

NUT (M8-1.25)

8

6732-71-3220

BOLT (M8-1.25x20)

9

6732-61-3110

BOLT (M8-1.25x40)

10

6735-61-2120

BOLT (M8-1.25x45)

11

6732-21-4180

BOLT (M6-1.00x16)

12

6734-71-5520

BOLT (M5-0.80x20)

13

6745-81-9560

BOLT

14

6754-81-9170

WIRE, GROUND

15

6754-81-9110

ISOLATOR, VIBRATION

16

6754-81-9130

ISOLATOR, VIBRATION

17

6754-81-9180

BOLT, SOCKET HEAD CAP

18

6745-81-9511

COOLER, ELECTRONIC CONTROL

20

6261-81-1900

SENSOR, PRESSURE

|$22

6744-81-4010

SWITCH ASSEMBLY, PRESSURE

21

NSS

SWITCH, PRESSURE

22

6216-84-9740

SEAL, O-RING

23

6261-81-6901

SENSOR, TEMPERATURE

N/I

6216-84-9740

SEAL, O-RING

|$27

6754-81-2701

SENSOR ASSEMBLY, PRESSURE TEMPERATURE

24

6754-81-2710

SEAL, O-RING

25

NSS

SENSOR, PRESSURE TEMPERATURE

Выбрано товаров: 29