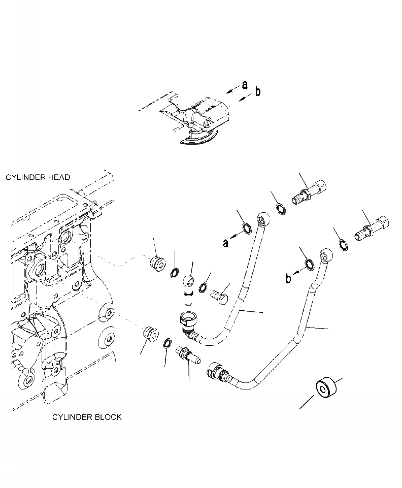
Запчасти Komatsu PC300HD-8 A-AA ХЛАДАГЕНТ ТРУБЫ ДВИГАТЕЛЬ

Схема запчастей Komatsu PC300HD-8 - A-AA ХЛАДАГЕНТ ТРУБЫ ДВИГАТЕЛЬ
9
3
3
9
3
1
3
4
6
4
2
8
7
1
4
5
10
FIT
1:1
100%

Артикул

Название

Примечание

Количество

1

6745-61-8110

BUSHING, REDUCING PIPE

2

6732-71-6510

BOLT, BANJO CONNECTOR (M12-1.50x24)

3

6731-74-5910

WASHER, SEALING

4

6745-71-1130

WASHER, SEALING

5

6745-71-6130

CONNECTION, ADAPTER

6

6745-61-8120

CONNECTOR, BANJO

7

6745-61-8130

TUBE, WATER INLET

8

6745-61-8140

TUBE, WATER OUTLET

9

6745-61-8150

VALVE, SHUT OFF

10

6745-71-5160

COVER, PROTECTIVE

Выбрано товаров: 10