Запчасти Komatsu PC300LC-1 ДОПОЛН. ГИДРОЛИНИЯ¤ CHANGE ROTOR И ПОВОРОТНОЕ СОЕДИНЕНИЕ ОПЦИОННЫЕ КОМПОНЕНТЫ

Схема запчастей Komatsu PC300LC-1 - ДОПОЛН. ГИДРОЛИНИЯ¤ CHANGE ROTOR И ПОВОРОТНОЕ СОЕДИНЕНИЕ ОПЦИОННЫЕ КОМПОНЕНТЫ
FIT
1:1
100%

Артикул

Название

Примечание

Количество

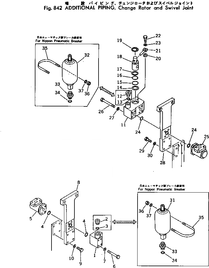
1

207-970-1370

BLOCK

2

07040-12414

PLUG

3

07002-12434

O-RING

4

07000-13032

O-RING

5

07128-01000

JOINT,SWIVEL

6

01011-51025

BOLT

7

01643-31032

WASHER

8

207-970-1140

BRACKET

9

01010-51235

BOLT

10

01643-31232

WASHER

11

207-970-1510

BOLT

12

07040-12414

PLUG

13

07002-12434

O-RING

14

07001-03048

RING,BACK-UP

15

07000-13048

O-RING

16

07000-13042

O-RING

17

07001-03042

RING,BACK-UP

18

207-970-1220

ROTOR

19

04065-05220

RING,SNAP

20

205-62-54562

SPACER

21

202-970-2210

PIN

22

01010-51230

BOLT

23

01643-31232

WASHER

24

07000-13032

O-RING

25

07128-01000

JOINT,SWIVEL

26

01011-51025

BOLT

27

01643-31032

WASHER

28

207-970-1140

BRACKET

29

01010-51235

BOLT

30

01643-31232

WASHER

31

205-970-5570

ACCUMULATOR

32

205-970-5580

ACCUMULATOR

33

205-970-5550

NIPPLE

34

07002-12434

O-RING

35

07283-31193

CLIP

36

01599-01214

NUT

37

01643-31232

WASHER

Выбрано товаров: 37