Запчасти Komatsu PC300LC-1 ГУСЕНИЧНАЯ РАМА ХОДОВАЯ

Схема запчастей Komatsu PC300LC-1 - ГУСЕНИЧНАЯ РАМА ХОДОВАЯ
FIT
1:1
100%

Артикул

Название

Примечание

Количество

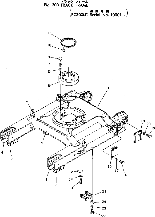
1

207-30-12520

FRAME

2

207-30-15111

SUPPORT (WELDED)

3

207-30-11511

GUARD (WELDED)

4

207-30-11521

GUARD (WELDED)

5

208-30-11290

HOOK (WELDED)

6

207-30-12331

COVER

7

01010-31220

BOLT

8

01643-31232

WASHER

9

09415-02512

CAP

10

207-30-11560

SEAL

11

207-30-11541

SEAL

12

203-30-37130

COVER

13

01010-31220

BOLT

14

01643-31232

WASHER

15

205-30-67510

COVER

16

01010-31650

BOLT

17

01643-31645

WASHER

18

205-30-67520

COVER

19

01010-31650

BOLT

20

01643-31645

WASHER

21

207-30-11533

GUARD

22

01010-31865

BOLT

23

01643-31845

WASHER

24

207-30-11570

SPACER

Выбрано товаров: 0