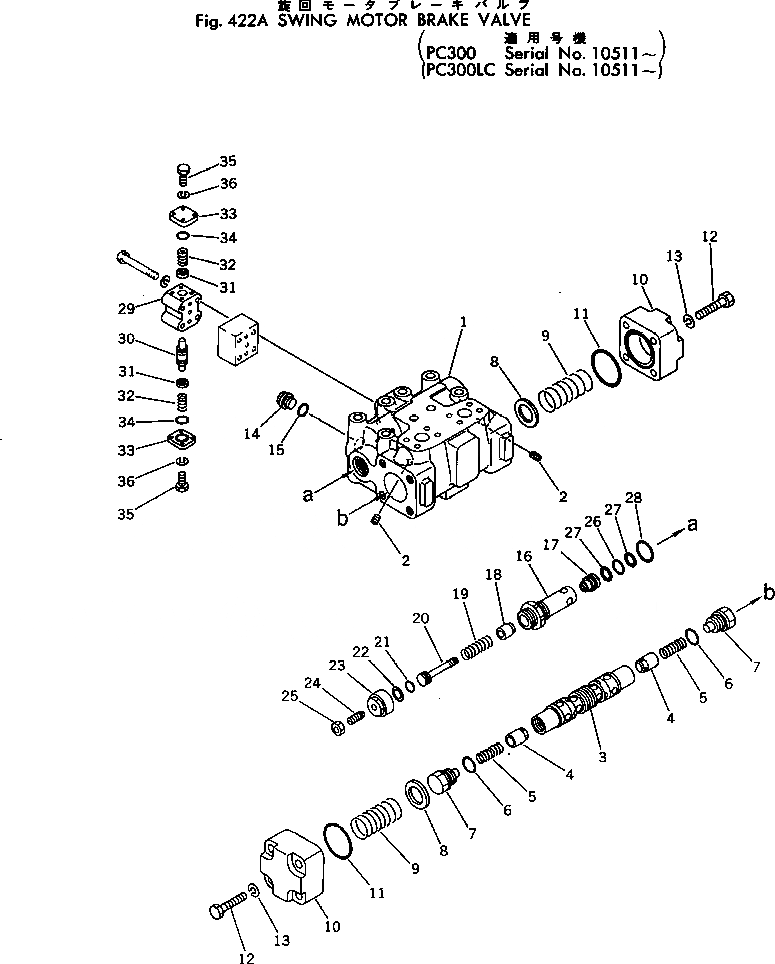
Запчасти Komatsu PC300LC-1 МОТОР ПОВОРОТА ТОРМОЗНОЙ КЛАПАН(№-) ПОВОРОТН. И СИСТЕМА УПРАВЛЕНИЯS

Схема запчастей Komatsu PC300LC-1 - МОТОР ПОВОРОТА ТОРМОЗНОЙ КЛАПАН(№-) ПОВОРОТН. И СИСТЕМА УПРАВЛЕНИЯS
FIT
1:1
100%

Артикул

Название

Примечание

Количество

|$0

706-77-00703

MOTOR ASS'Y

|$1

706-77-71203

BRAKE VALVE ASS'Y

1

BODY

2

SCREW

3

SPOOL

4

701-21-32130

VALVE

5

701-20-63120

SPRING

6

07002-13034

O-RING

7

706-77-71161

PLUG

8

706-77-71150

PLUG

9

706-77-71170

SPRING

10

706-77-71130

FLANGE

11

07000-12070

O-RING

12

01010-51470

BOLT

13

01602-21442

WASHER,SPRING

14

700-22-11370

PLUG

15

07002-12434

O-RING

|$17

706-77-75200

C.O.R. VALVE A.

16

SLEEVE

17

SEAT,VALVE

18

VALVE

19

SPRING

20

PISTON

21

O-RING

22

RING

23

PLUG

24

SCREW

25

NUT

26

07000-23022

O-RING

27

07001-03022

RING

28

07002-13634

O-RING

|$31

706-77-77100

SHUTTLE VALVE A.

29

BODY

30

SPOOL

31

706-73-77140

PLATE

32

706-75-77150

SPRING

33

706-75-72750

PLATE

34

07000-12021

O-RING

35

01010-60618

BOLT

36

01602-20619

WASHER,SPRING

Выбрано товаров: 0