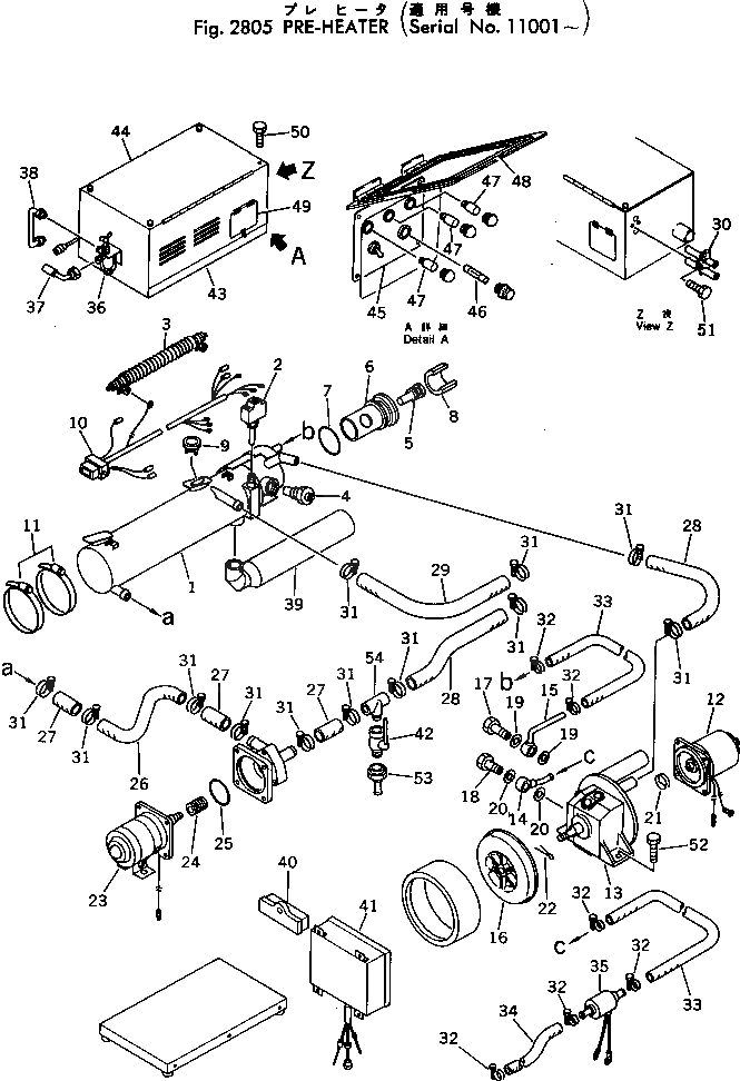
Запчасти Komatsu PC300LC-2 ПРЕДПУСК. ПОДОГРЕВ ОПЦИОННЫЕ КОМПОНЕНТЫ (СПЕЦ. APPLICATION ЧАСТИ)

Схема запчастей Komatsu PC300LC-2 - ПРЕДПУСК. ПОДОГРЕВ ОПЦИОННЫЕ КОМПОНЕНТЫ (СПЕЦ. APPLICATION ЧАСТИ)
FIT
1:1
100%

Артикул

Название

Примечание

Количество

|1

207-977-1200

PRE HEATER ASS'Y

|1

MK533-283

HEATER ASS'Y

1

207-977-1210

HEATER

2

207-977-1290

CONTROL

3

207-977-1280

RESISTANCE

4

207-977-1260

PLUG

|5

207-977-1220

NOZZLE ASS'Y

5

207-977-1230

NOZZLE

6

207-977-1240

NOZZLE

7

207-977-1252

O-RING

8

207-977-1270

RING

9

207-977-1310

THERMOSTAT

10

207-977-1320

CABLE ASS'Y

11

MK007-153

CLAMP

|12

207-977-1330

PUMP ASS'Y

12

207-977-1380

MOTOR

13

207-977-1360

PUMP

14

207-977-1410

TUBE

15

207-977-1390

TUBE

16

207-977-1350

BLOWER

17

207-977-1420

BOLT

18

207-977-1430

BOLT

19

207-977-1440

WASHER

20

207-977-1450

PACKING

21

207-977-1370

COUPLING

22

207-977-1340

PIN,COTTER

|23

207-977-1460

PUMP ASS'Y

23

207-977-1470

MOTOR

24

207-977-1480

SEAL

25

207-977-1490

O-RING

26

MK533-281

HOSE

27

207-977-1510

HOSE

28

207-977-1520

HOSE

29

207-977-1530

HOSE

30

207-977-1540

HOSE

31

207-977-1550

CLAMP

32

207-977-1560

CLAMP

33

207-977-1570

HOSE

34

207-977-1580

HOSE

35

207-977-1590

VALVE ASS'Y

36

207-977-1610

FILTER ASS'Y

37

207-977-1620

TUBE

38

207-977-1630

TUBE

39

207-977-1640

PIPE

|40

207-977-1650

FUSE BOX ASS'Y

40

207-977-1660

FUSE¤ 25A

41

207-977-1670

CONTROL BOX ASS'Y

42

MK539-021

COCK

43

MK533-282

COVER ASS'Y

44

MK533-284

COVER ASS'Y

45

207-977-1680

PANEL ASS'Y

46

207-977-1690

FUSE¤ 5A

47

207-977-1710

LAMP

48

MK533-287

PACKING

49

MK533-286

PLATE

50

MKBW3-0620

BOLT

51

MKBW3-0612

BOLT

52

MKBW3-0812

BOLT

53

207-977-1720

PIPE

54

MK533-285

PIPE

Выбрано товаров: 60