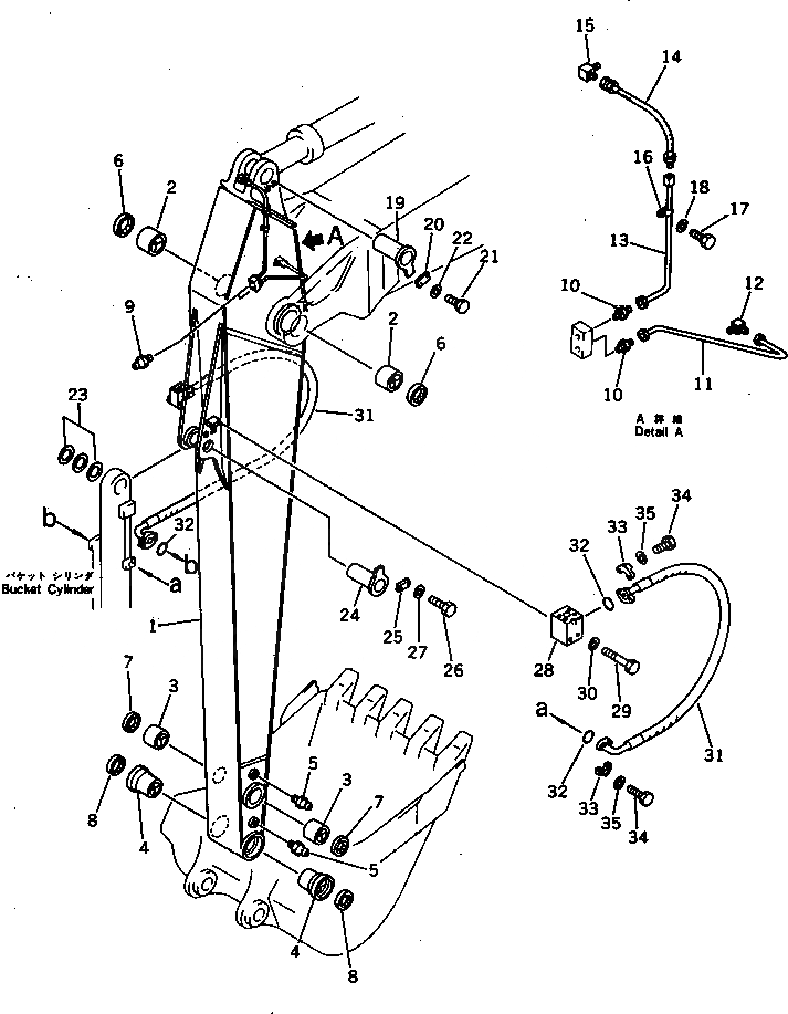
Запчасти Komatsu PC300LC-3 УДЛИНН. РУКОЯТЬ¤ MM РАБОЧЕЕ ОБОРУДОВАНИЕ

Схема запчастей Komatsu PC300LC-3 - УДЛИНН. РУКОЯТЬ¤ MM РАБОЧЕЕ ОБОРУДОВАНИЕ
FIT
1:1
100%

Артикул

Название

Примечание

Количество

|1

207-943-0021

LONG ARM ASS'Y

|1

207-943-0020

LONG ARM ASS'Y

1

ARM

|1

ARM

2

207-70-12161

BUSHING

3

207-70-32150

BUSHING

4

207-70-32140

BUSHING

5

07020-00000

FITTING,GREASE

6

07145-00110

SEAL,DUST

7

205-70-62180

SEAL

8

207-70-12270

SEAL

9

07020-00000

FITTING,GREASE

10

07213-51013

CONNECTOR

11

207-943-3140

TUBE

12

209-72-16140

ELBOW

13

207-943-3150

TUBE

14

205-70-51360

HOSE¤ 540MM

15

205-70-51380

ELBOW

16

176-43-54580

CLIP

17

01010-51016

BOLT

18

01643-31032

WASHER

19

207-70-31190

PIN

20

205-70-66580

PLATE

21

01010-51235

BOLT

22

01643-31232

WASHER

23

207-70-24190

SPACER¤ 0.8MM

24

207-70-32160

PIN

25

205-70-66580

PLATE

26

01010-51235

BOLT

27

01643-31232

WASHER

28

208-943-1120

ELBOW

29

01010-51290

BOLT

30

01643-31232

WASHER

31

07098-21014

HOSE

32

07000-13032

O-RING

33

07371-31049

FLANGE,SPLIT

34

07372-21035

BOLT

35

01643-51032

WASHER

Выбрано товаров: 38