Запчасти Komatsu PC300LC-3 ПРУЖИНА(№-) ХОДОВАЯ

Схема запчастей Komatsu PC300LC-3 - ПРУЖИНА(№-) ХОДОВАЯ
FIT
1:1
100%

Артикул

Название

Примечание

Количество

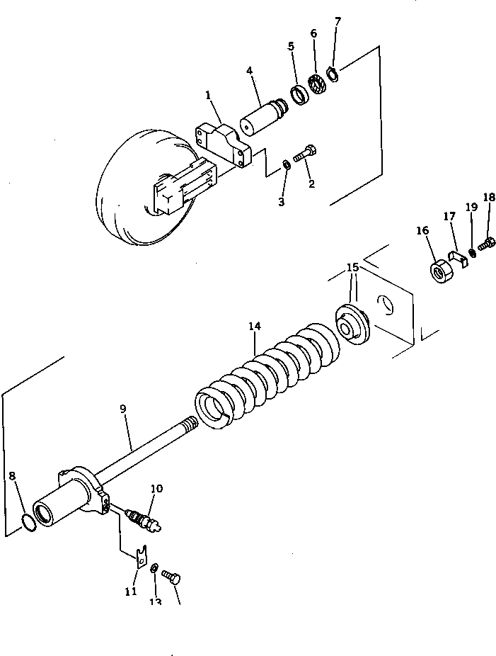
1

207-30-34112

YOKE

2

01010-52090

BOLT

3

01643-32060

WASHER

4

207-30-34120

PISTON

5

07155-01025

RING,WEAR

6

09370-00100

U-PACKING

7

04064-07525

RING,SNAP

8

07000-05100

O-RING

9

207-30-34132

CYLINDER,L.H.

|9

207-30-34141

CYLINDER,R.H.

10

07959-20000

VALVE

11

207-30-34210

PLATE

12

01010-51225

BOLT

13

01643-31232

WASHER

14

207-30-19520

SPRING

15

207-30-34170

COLLAR

16

207-30-34180

NUT

17

207-30-34190

LOCK

18

01010-51225

BOLT

19

01643-31232

WASHER

Выбрано товаров: 20