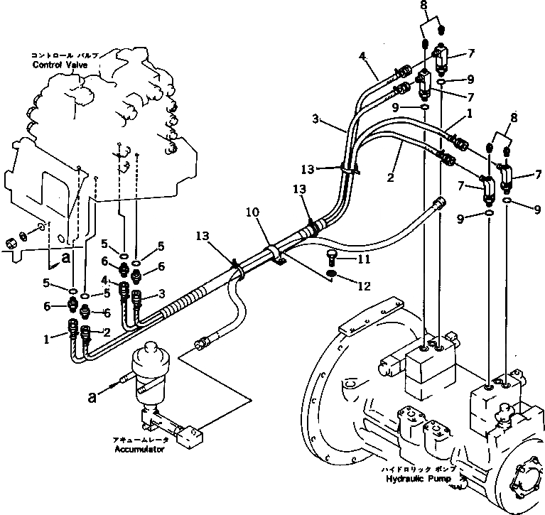
Запчасти Komatsu PC300LC-3 O.L.S.S. ТРУБЫ (ДЛЯ УДЛИНН. РЫЧАГ УПРАВЛ-Е) ПОВОРОТН. И СИСТЕМА УПРАВЛЕНИЯ

Схема запчастей Komatsu PC300LC-3 - O.L.S.S. ТРУБЫ (ДЛЯ УДЛИНН. РЫЧАГ УПРАВЛ-Е) ПОВОРОТН. И СИСТЕМА УПРАВЛЕНИЯ
FIT
1:1
100%

Артикул

Название

Примечание

Количество

|1

207-62-33750

HOSE ASS'Y

1

207-62-33720

HOSE

2

207-62-33720

HOSE

3

207-62-33730

HOSE

4

207-62-33730

HOSE

5

07002-11423

O-RING

6

07230-20210

UNION

|6

07230-10210

UNION

7

207-62-33780

ELBOW

8

07042-30108

PLUG

9

07002-11423

O-RING

10

21K-03-11190

CLIP

11

01010-51225

BOLT

12

01643-31232

WASHER

13

08034-00536

BAND

Выбрано товаров: 15