Запчасти Komatsu PC300LC-3 ПАНЕЛЬ ПРИБОРОВ (/) (ДЛЯ УДЛИНН. РЫЧАГ УПРАВЛ-Е) КОМПОНЕНТЫ ДВИГАТЕЛЯ И ЭЛЕКТРИКА

Схема запчастей Komatsu PC300LC-3 - ПАНЕЛЬ ПРИБОРОВ (/) (ДЛЯ УДЛИНН. РЫЧАГ УПРАВЛ-Е) КОМПОНЕНТЫ ДВИГАТЕЛЯ И ЭЛЕКТРИКА
FIT
1:1
100%

Артикул

Название

Примечание

Количество

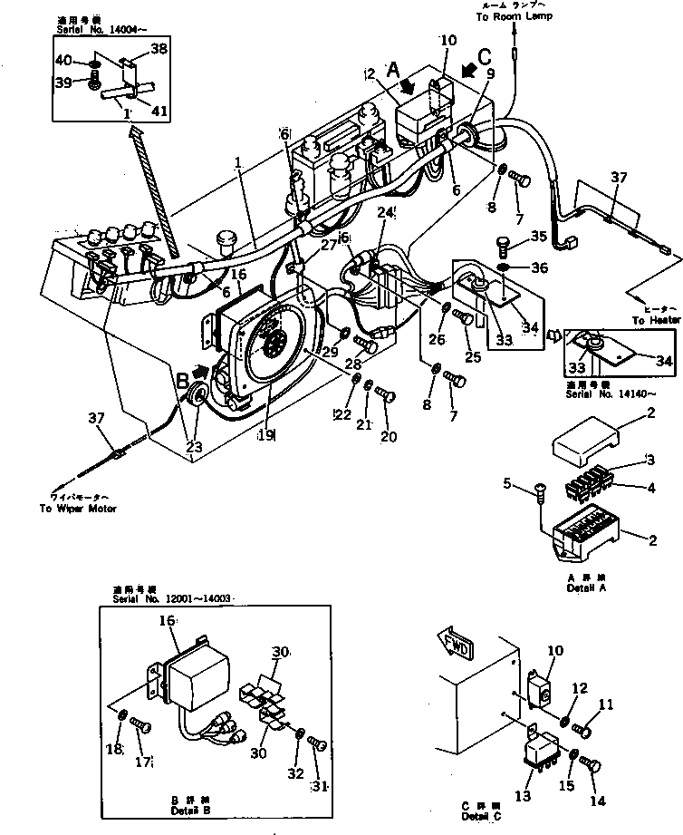
1

207-06-31152

WIRING HARNESS

1

207-06-31151

WIRING HARNESS

1

207-06-31150

WIRING HARNESS

2

205-06-71480

FUSE BOX

3

205-06-73180

FUSE, 15A

4

22W-06-13160

FUSE, 20A

5

01220-40616

SCREW

6

08036-02514

CLIP

7

01010-51225

BOLT

8

01643-31232

WASHER

9

08037-02512

GROMMET

10

207-06-31160

BUZZER

11

01220-40412

SCREW

12

01642-20405

WASHER

13

206-06-41130

RELAY,HORN

14

01010-50612

BOLT

15

01643-30623

WASHER

16

7861-72-3000

CONTROLLER ASS'Y

16

7861-01-3000

CONTROLLER ASS'Y

17

01220-40616

SCREW

18

01643-30623

WASHER

19

20G-06-15120

SPEAKER

20

01220-40420

SCREW

21

01601-20410

WASHER,SPRING

22

01641-20405

WASHER

23

08037-02512

GROMMET

24

142-06-13530

CLIP

25

01010-51225

BOLT

26

01643-31232

WASHER

27

08036-02514

CLIP

28

01010-51225

BOLT

28

01010-51025

BOLT

29

01643-31232

WASHER

29

01643-31032

WASHER

30

283-06-17130

CLIP

31

01220-40608

SCREW

32

01641-20608

WASHER

33

205-06-72410

GROMMET

34

205-06-72211

COVER

35

01010-51025

BOLT

36

01643-31032

WASHER

37

205-54-72710

CLIP

38

205-06-72620

PLATE

39

01235-50408

SCREW

40

01641-20405

WASHER

41

08034-00414

BAND

Выбрано товаров: 46