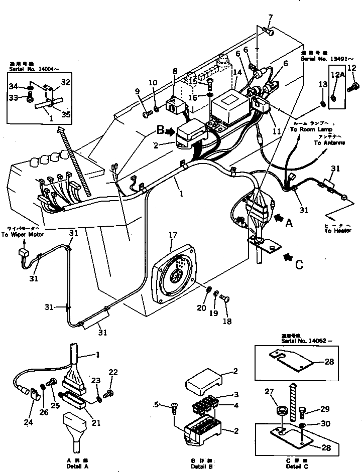
Запчасти Komatsu PC300LC-3 ПАНЕЛЬ ПРИБОРОВ (/) (ДЛЯ WRIST УПРАВЛ-Е) (АВТОМ. ЗАМЕДЛЕНИЕ ОБОРОТОВ¤ПОВОРОТН. МЕХАНИЧ. ТОРМОЗ.¤-STAGE) КОМПОНЕНТЫ ДВИГАТЕЛЯ И ЭЛЕКТРИКА

Схема запчастей Komatsu PC300LC-3 - ПАНЕЛЬ ПРИБОРОВ (/) (ДЛЯ WRIST УПРАВЛ-Е) (АВТОМ. ЗАМЕДЛЕНИЕ ОБОРОТОВ¤ПОВОРОТН. МЕХАНИЧ. ТОРМОЗ.¤-STAGE) КОМПОНЕНТЫ ДВИГАТЕЛЯ И ЭЛЕКТРИКА
FIT
1:1
100%

Артикул

Название

Примечание

Количество

1

207-06-31193

WIRING HARNESS

1

207-06-31192

WIRING HARNESS

1

207-06-31191

WIRING HARNESS

2

205-06-71480

FUSE BOX

3

205-06-73180

FUSE, 15A

4

22W-06-13160

FUSE, 20A

5

01220-40616

SCREW

6

283-06-17130

CLIP

7

01220-40616

SCREW

8

207-06-31160

BUZZER

9

01220-40412

SCREW

10

01642-20405

WASHER

11

206-06-41130

RELAY,HORN

12

01010-50616

BOLT

12A

01602-20619

WASHER,SPRING

13

01643-30623

WASHER

14

7861-72-3000

CONTROLLER ASS'Y

14

7861-01-3000

CONTROLLER ASS'Y

15

01220-40616

SCREW

16

01643-30623

WASHER

17

20G-06-15120

SPEAKER

18

01220-40420

SCREW

19

01601-20410

WASHER,SPRING

20

01641-20405

WASHER

21

142-06-13530

CLIP

22

01010-51220

BOLT

23

01643-31232

WASHER

24

08036-02514

CLIP

25

01010-51220

BOLT

26

01643-31232

WASHER

27

205-06-72410

GROMMET

28

205-06-72211

COVER

29

01010-51025

BOLT

30

01643-31032

WASHER

31

205-54-72710

CLIP

32

205-06-72620

PLATE

33

01235-50408

SCREW

34

01641-20405

WASHER

35

08034-00414

BAND

Выбрано товаров: 39