Запчасти Komatsu PC300LC-3 КОРОТК. РУКОЯТЬ¤ MM РАБОЧЕЕ ОБОРУДОВАНИЕ

Схема запчастей Komatsu PC300LC-3 - КОРОТК. РУКОЯТЬ¤ MM РАБОЧЕЕ ОБОРУДОВАНИЕ
FIT
1:1
100%

Артикул

Название

Примечание

Количество

|$0

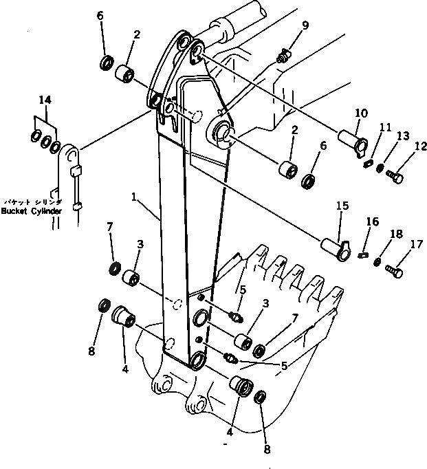
207-944-0030

SHORT ARM ASS'Y

1

ARM

2

207-70-12161

BUSHING

3

207-70-32150

BUSHING

4

207-70-32140

BUSHING

5

07020-00000

FITTING,GREASE

6

07145-00110

SEAL,DUST

7

205-70-62180

SEAL,DUST

8

207-70-12270

SEAL,DUST

9

07020-00900

FITTING,GREASE

10

207-70-31190

PIN

11

205-70-66580

PLATE

12

01010-51235

BOLT

13

01643-31232

WASHER

14

207-70-24190

SPACER, 0.8MM

15

207-70-32160

PIN

16

205-70-66580

PLATE

17

01010-51235

BOLT

18

01643-31232

WASHER

Выбрано товаров: 0