Запчасти Komatsu PC300LC-3 ПРЕДУПРЕЖД. ПЕРЕГРУЗКИ (/) (СПЕЦ-Я TBG) СПЕЦ. APPLICATION ЧАСТИ¤ МАРКИРОВКА¤ ИНСТРУМЕНТ И РЕМКОМПЛЕКТЫ

Схема запчастей Komatsu PC300LC-3 - ПРЕДУПРЕЖД. ПЕРЕГРУЗКИ (/) (СПЕЦ-Я TBG) СПЕЦ. APPLICATION ЧАСТИ¤ МАРКИРОВКА¤ ИНСТРУМЕНТ И РЕМКОМПЛЕКТЫ
FIT
1:1
100%

Артикул

Название

Примечание

Количество

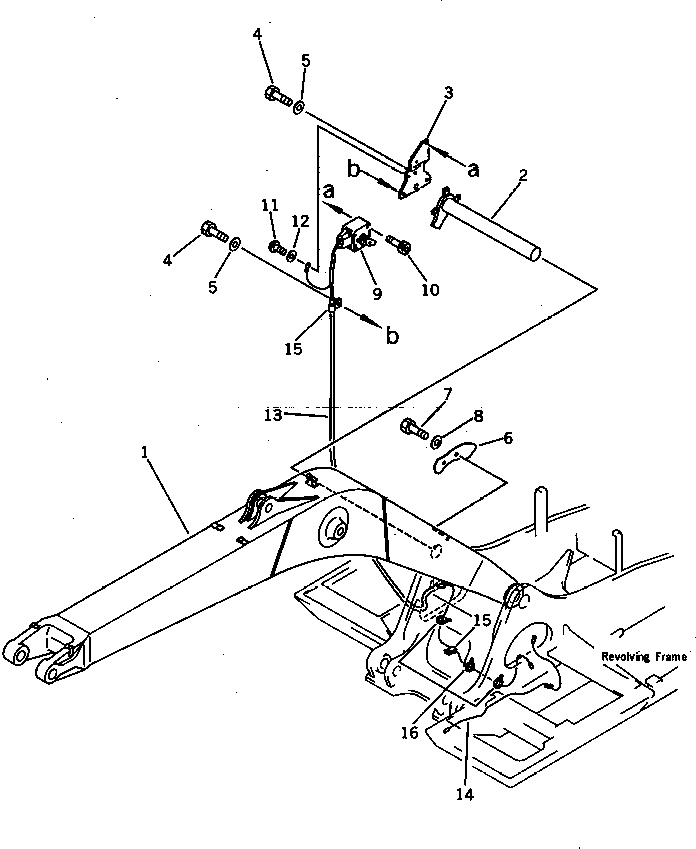
1

207-70-31313

BOOM

1

207-70-31312

BOOM

2

207-70-31330

PIN

3

207-62-31930

BRACKET

4

01010-51230

BOLT

5

01643-31232

WASHER

6

207-62-31941

CAM

7

01010-51230

BOLT

8

01643-31232

WASHER

9

205-62-69240

SWITCH

10

01252-40616

BOLT

11

01220-40612

SCREW

12

01643-30623

WASHER

13

205-06-71780

WIRE ASS'Y

14

207-06-31130

WIRE

15

08036-21414

CLIP

16

08034-00519

BAND

Выбрано товаров: 17