Запчасти Komatsu PC300LC-3 ОСНОВНАЯ РАМА (СПЕЦ-Я TBG) СПЕЦ. APPLICATION ЧАСТИ¤ МАРКИРОВКА¤ ИНСТРУМЕНТ И РЕМКОМПЛЕКТЫ

Схема запчастей Komatsu PC300LC-3 - ОСНОВНАЯ РАМА (СПЕЦ-Я TBG) СПЕЦ. APPLICATION ЧАСТИ¤ МАРКИРОВКА¤ ИНСТРУМЕНТ И РЕМКОМПЛЕКТЫ
FIT
1:1
100%

Артикул

Название

Примечание

Количество

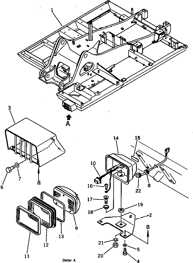
1

207-46-31211

FRAME

1

207-46-31210

FRAME

2

205-06-71811

PLATE

3

205-06-71821

COVER

4

01010-51225

BOLT

5

01643-31232

WASHER

6

01010-51225

BOLT

7

01643-31232

WASHER

8

08037-02512

GROMMET

|$9

22W-06-12381

LAMP ASS'Y

9

22W-06-12170

BULB

10

22W-06-12180

WIRE ASS'Y

11

22W-06-12120

RING

12

22W-06-12290

CUSHION

13

22W-06-12130

RING

14

22W-06-12280

HOUSING

15

22W-06-12190

PLATE, NAME,NAME

16

04418-03060

SCREW

17

22W-06-12140

BOLT

18

22W-06-12150

WASHER

19

22W-06-12160

SEAT

20

01582-11411

NUT

21

01602-21442

WASHER,SPRING

22

09415-01008

CAP

Выбрано товаров: 24