Запчасти Komatsu PC300LC-3 ПАНЕЛЬ ПРИБОРОВ (REGULATION OF SWEDEN)(№-) СПЕЦ. APPLICATION ЧАСТИ¤ МАРКИРОВКА¤ ИНСТРУМЕНТ И РЕМКОМПЛЕКТЫ

Схема запчастей Komatsu PC300LC-3 - ПАНЕЛЬ ПРИБОРОВ (REGULATION OF SWEDEN)(№-) СПЕЦ. APPLICATION ЧАСТИ¤ МАРКИРОВКА¤ ИНСТРУМЕНТ И РЕМКОМПЛЕКТЫ
FIT
1:1
100%

Артикул

Название

Примечание

Количество

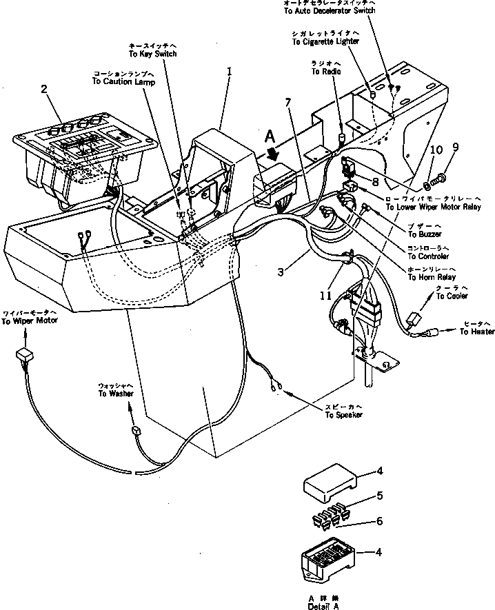
1

205-43-73292

BOX,R.H.

2

7831-73-2000

PANEL ASS'Y

2

7861-22-2101

PANEL ASS'Y

2

7861-22-2100

PANEL ASS'Y

3

205-06-32252

WIRING HARNESS

3

205-06-32251

WIRING HARNESS

3

205-06-32250

WIRING HARNESS

4

205-06-71480

FUSE BOX

5

205-06-73180

FUSE, 15A

6

22W-06-13160

FUSE, 20A

7

207-06-32260

WIRING HARNESS

8

22W-06-13450

RELAY ASS'Y,WIPER MOTOR

9

01220-40616

SCREW

10

01643-30623

WASHER

11

08034-00519

BAND

Выбрано товаров: 15