Запчасти Komatsu PC300LC-3 УДЛИНН. РЫЧАГ СТОЙКА (БЕЗ БЛОКИР. ПАЛЕЦ)(№9-) ПОВОРОТН. И СИСТЕМА УПРАВЛЕНИЯ

Схема запчастей Komatsu PC300LC-3 - УДЛИНН. РЫЧАГ СТОЙКА (БЕЗ БЛОКИР. ПАЛЕЦ)(№9-) ПОВОРОТН. И СИСТЕМА УПРАВЛЕНИЯ
FIT
1:1
100%

Артикул

Название

Примечание

Количество

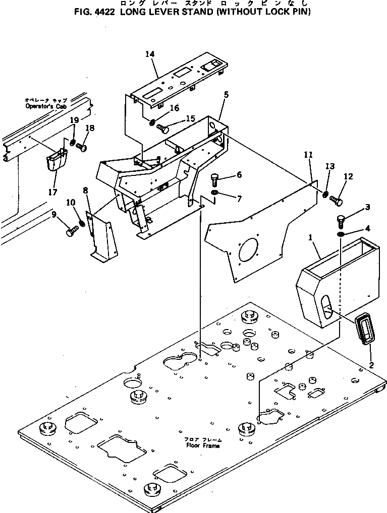
1

207-43-31180

BOX,L.H.

2

205-43-72480

COVER

3

01010-51225

BOLT

4

01643-31232

WASHER

5

207-43-31111

BOX,R.H.

6

01010-51225

BOLT

7

01643-31232

WASHER

8

207-43-31190

COVER

9

01010-50816

BOLT

10

01643-30823

WASHER

11

207-43-31170

COVER

12

01010-50816

BOLT

13

01643-30823

WASHER

14

207-43-31160

COVER

15

01010-50816

BOLT

16

01643-30823

WASHER

17

201-54-23220

ASHTRAY

18

01370-00410

SCREW

19

01611-04045

WASHER

Выбрано товаров: 19