Качественные детали и логистика
Оригинальные и аналоговые запчасти с доставкой по России, Казахстану и Беларуси
©2022 PartSell ООО "Система" ИНН 2463123282 ОГРН 1212400004838
Центральный офис: г. Красноярск, Академика Киренского, д.87, пом.4
Телефон: 8 (800) 777-65-74 Email: zakaz@partsell.ru
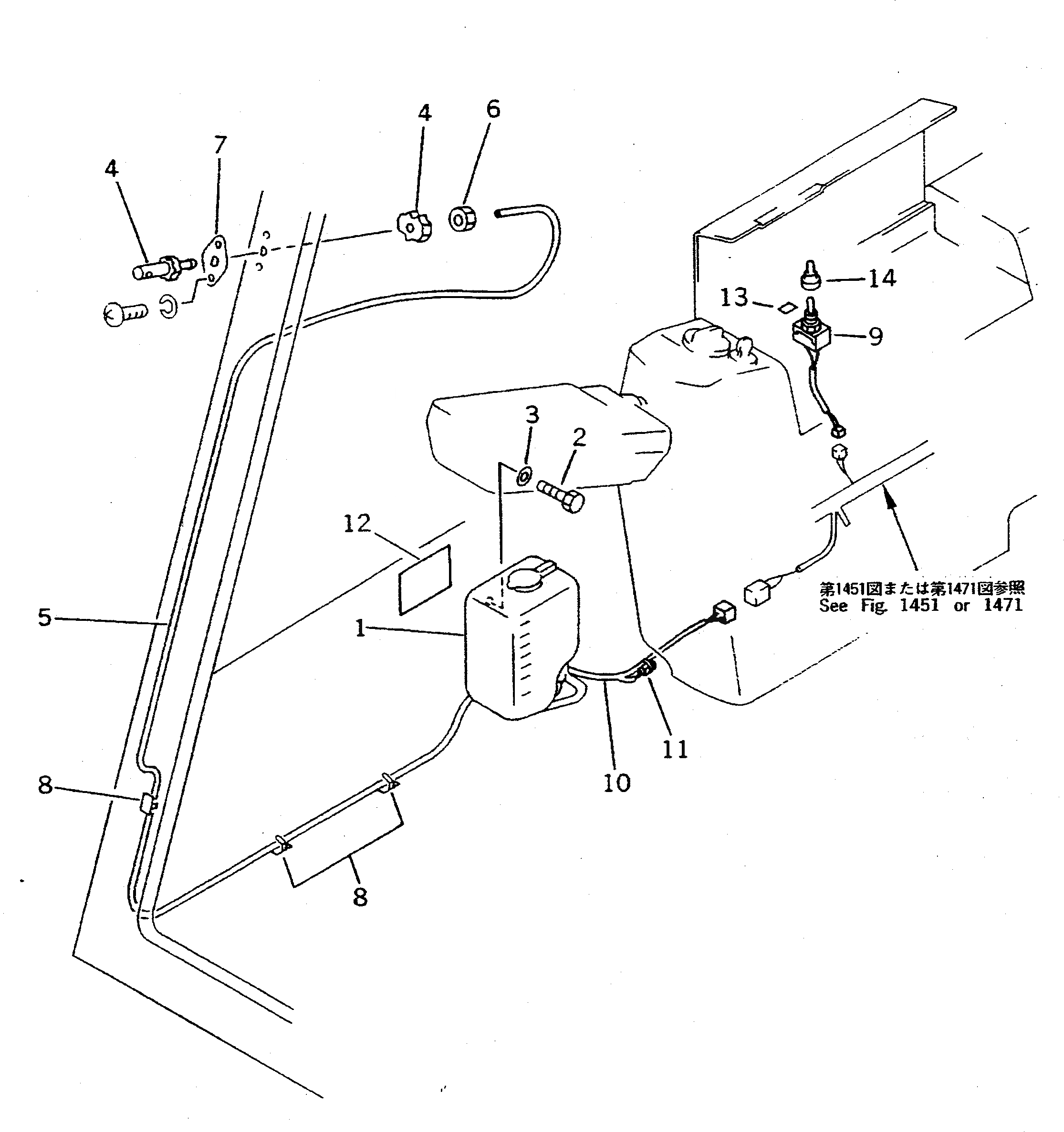
ОМЫВАТЕЛЬ СТЕКЛА
№
Артикул
Название
Примечание
Количество
G-1
20Y-06-X9011
WINDOW WASHER GROUP
1
206-06-15230
TANK
2
01010-50612
BOLT
3
01643-30623
WASHER
4
205-06-61220
NOZZLE ASS'Y
5
205-06-71470
HOSE
6
205-06-71610
NUT
7
205-06-71590
BRACKET
8
08051-00801
CLIP
9
20Y-06-15551
SWITCH
10
20Y-06-15561
WIRING HARNESS
11
22W-06-13590
DIODE
12
09699-00000
PLATE¤ CAUTION,(JAPANESE)
|12
09699-03000
PLATE¤ CAUTION,(ENGLISH)
09699-01000
PLATE¤ CAUTION,(SPANISH)
09699-02000
PLATE¤ CAUTION,(GERMAN)
09699-05000
PLATE¤ CAUTION,(FRENCH)
09699-06000
PLATE¤ CAUTION,(ITALIAN)
09699-00500
PLATE¤ CAUTION,(INDONESIAN)
13
203-00-52260
PLATE¤ OPERATING
14
203-06-41610
CAP
Выбрано товаров: 0