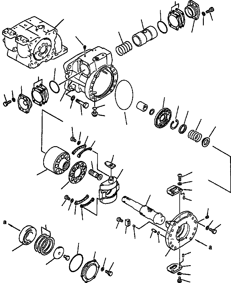
Запчасти Komatsu PC300LC-5 ГИДР. НАСОС. ASSEMBLY ОСНОВН. НАСОС ASSEMBLY - ЗАДН. SECTION УПРАВЛ-Е РАБОЧИМ ОБОРУДОВАНИЕМ

Схема запчастей Komatsu PC300LC-5 - ГИДР. НАСОС. ASSEMBLY ОСНОВН. НАСОС ASSEMBLY - ЗАДН. SECTION УПРАВЛ-Е РАБОЧИМ ОБОРУДОВАНИЕМ
9
10
48
5
11
6
12
2
7
10
9
8
12
11
36
44
4
1
41
47
42
3
46
43
39
40
16
38
37
45
33
15
21
35
22
19
49
34
20
14
39
40
27
38
32
26
37
25
29
23
17
24
28
18
20
31
50
30
13
19
51
22
21
FIT
1:1
100%

Артикул

Название

Примечание

Количество

|$2

708-27-00080

CASE ASSEMBLY, HYDRAULIC PUMP - REAR

1

NSS

CASE, REAR

2

NSS

PLUG

3

07044-12412

PLUG

4

07002-02434

O-RING

5

708-27-14110

PISTON

6

708-27-14130

SPRING

7

708-27-14140

CAP

8

708-27-14230

CAP

|$11

708-27-05060

SHIM KIT

9

NSS

SHIM - 0.004 IN. (0.1 MM)

9

NSS

SHIM - 0.008 IN. (0.2 MM)

9

NSS

SHIM - 0.020 IN. (0.5 MM)

9

708-27-14190

SHIM - 0.004 IN. (0.1 MM)

10

07000-02075

O-RING

11

01016-51045

BOLT

12

01643-31032

WASHER

|$19

708-27-00041

CRADLE ASSEMBLY, REAR

|$20

708-27-00460

CRADLE SUB-ASSEMBLY, REAR

13

NSS

CRADLE, REAR

14

NSS

PLUG

15

708-27-13411

CAM, ROCKER

16

708-27-12130

O-RING

17

708-25-12330

JOINT

18

07000-22015

O-RING

19

708-27-12330

PLATE

20

04020-00820

PIN, DOWEL

21

708-27-12340

SCREW

22

01643-30823

WASHER

23

708-27-12350

STOPPER

24

04020-00820

PIN, DOWEL

25

706-75-42270

SCREW

26

01010-81450

BOLT

27

01643-31445

WASHER

28

708-27-12790

COVER

29

07000-02105

O-RING

30

01010-80820

BOLT

31

01643-30823

WASHER

32

708-27-05010

SHIM KIT

|$41

NSS

SHIM - 0.020 IN. (0.05 MM)

|$42

NSS

SHIM - 0.039 IN. (0.10 MM)

|$43

NSS

SHIM - 0.006 IN. (0.15 MM)

33

708-27-13314

PISTON SUB-ASSEMBLY

34

708-27-13342

RETAINER, SHOE

|$46

708-27-00441

BLOCK ASSEMBLY, REAR CYLINDER

35

708-27-13112

BLOCK

36

708-27-13621

PLATE, REAR

37

708-27-05051

SPACER KIT

|$50

NSS

SPACER - 0.533 IN. (13.54 MM)

|$51

NSS

SPACER - 0.534 IN. (13.56 MM)

|$52

NSS

SPACER - 0.535 IN. (13.57 MM)

38

708-27-13420

RETAINER

39

708-27-13480

SCREW

40

01643-30823

WASHER

41

708-27-13120

WASHER

42

708-27-13140

SPRING

43

708-27-13130

RETAINER

44

708-27-13150

RING, SNAP

45

208-27-14121

SLIDER

46

01010-82075

BOLT

47

708-27-12580

WASHER

Выбрано товаров: 61