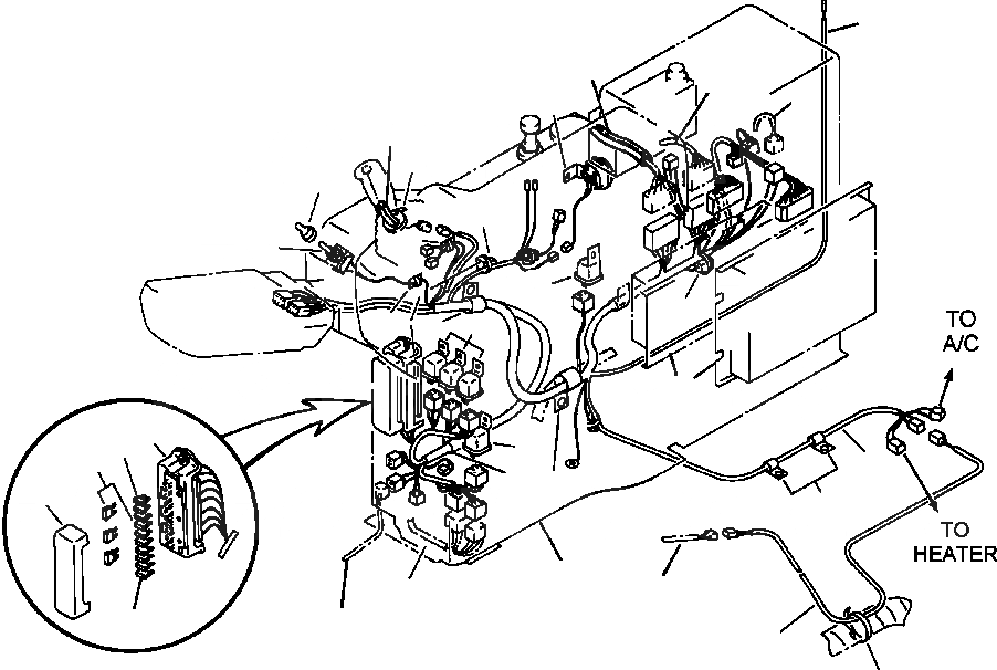
Запчасти Komatsu PC300LC-5 КАБИНА ЭЛЕКТРОПРОВОДКА ПРАВ. СТОЙКА - заводской номер A7 И UP КОМПОНЕНТЫ ДВИГАТЕЛЯ & ЭЛЕКТРИКА

Схема запчастей Komatsu PC300LC-5 - КАБИНА ЭЛЕКТРОПРОВОДКА ПРАВ. СТОЙКА - заводской номер A7 И UP КОМПОНЕНТЫ ДВИГАТЕЛЯ & ЭЛЕКТРИКА
19
17
18
21
8
17
14
9
5
10
6
7
5
10
11
7
20
1
3
7
2
1
12
13
1
16
25
24
22
4
23
15
14
FIT
1:1
100%

Артикул

Название

Примечание

Количество

1

20Y-06-16211

WIRING HARNESS, CIRCUIT PANEL

2

205-06-73180

FUSE - 15 A

3

283-06-16190

FUSE - 10 A

4

283-06-16190

FUSE - 10 A

5

22W-06-13590

DIODE

6

23S-06-14410

SWITCH, SWING LOCK

|$6

195-Z11-2290

COVER

|$7

20Y-06-16280

BOX

|$8

283-06-16160

TERMINAL

|$9

20Y-06-16290

TERMINAL

|$10

20Y-06-16390

LINK

|$11

22W-06-13460

CONNECTOR

|$12

22W-06-13470

TERMINAL

|$13

01220-40616

SCREW

|$14

01642-20608

WASHER

7

22W-06-13450

RELAY ASSEMBLY

|$16

01010-80612

BOLT

|$17

01643-30623

WASHER

8

203-06-56230

BUZZER ASSEMBLY

|$19

01010-80610

BOLT

|$20

01643-30623

WASHER

9

203-06-41680

CAP

10

08051-00801

CLIP

11

08036-01814

CLIP

|$24

01010-81220

BOLT

|$25

01643-31232

WASHER

12

08036-01814

CLIP

13

208-06-19170

CLIP

|$28

01010-81220

BOLT

|$29

01643-31232

WASHER

14

08034-00823

BAND

15

20Y-06-16380

HARNESS, WIRING

16

08036-01214

CLIP

17

20Y-06-16620

PROTECTOR

Выбрано товаров: 34