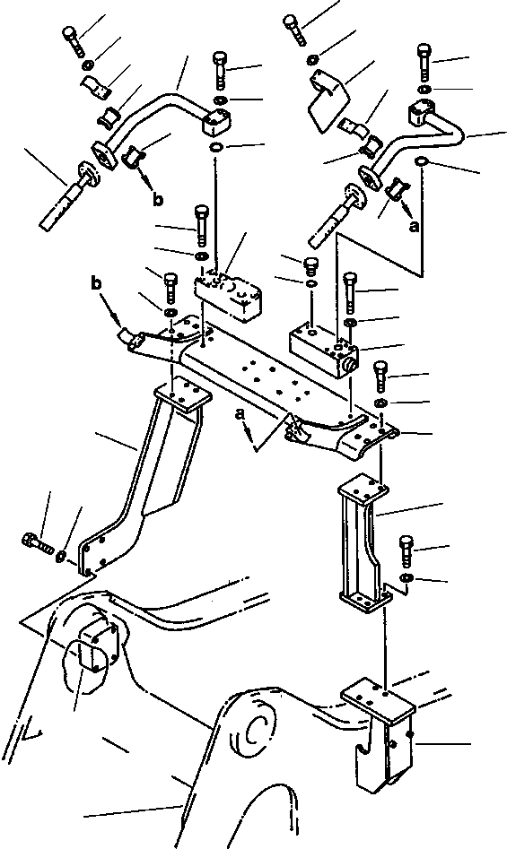
Запчасти Komatsu PC300LC-5 ТРУБЫ - БЛОК TO/FROM СТРЕЛА ДОПОЛН. ГИДРОЛИНИЯ ОПЦ. УПРАВЛ-Е РАБОЧИМ ОБОРУДОВАНИЕМ

Схема запчастей Komatsu PC300LC-5 - ТРУБЫ - БЛОК TO/FROM СТРЕЛА ДОПОЛН. ГИДРОЛИНИЯ ОПЦ. УПРАВЛ-Е РАБОЧИМ ОБОРУДОВАНИЕМ
9
11
10
12
2
4
6
7
4
8
7
5
5
14
1
30
3
8
3
29
17
14
18
20
15
21
16
17
18
19
15
16
25
13
27
28
26
27
28
24
23
22
FIT
1:1
100%

Артикул

Название

Примечание

Количество

1

207-970-5211

TUBE

2

207-970-5321

TUBE

3

07000-13032

O-RING

4

01010-81265

BOLT

5

01643-31232

WASHER

6

207-970-5190

BRACKET

7

207-62-52430

CLAMP

8

205-62-73430

SEAT

9

01010-81270

BOLT

10

01643-31232

WASHER

11

01010-81230

BOLT

12

01643-31232

WASHER

13

207-970-5141

BRACKET

14

205-62-73430

SEAT

15

01010-81635

BOLT

16

01643-31645

WASHER

17

01011-51205

BOLT

18

01643-31232

WASHER

19

207-970-3450

BLOCK

20

07040-12414

PLUG

21

07002-12434

O-RING

23

207-970-5181

BRACKET - WELDED

24

207-970-5160

PLATE - WELDED

25

207-970-5172

BRACKET

26

207-970-5151

BRACKET

27

01010-81650

BOLT

28

01643-31645

WASHER

Выбрано товаров: 27