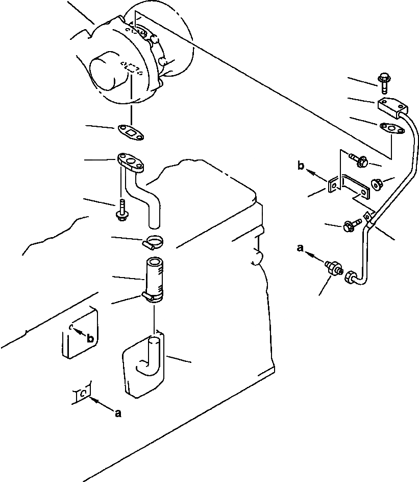
Запчасти Komatsu PC300LC-5 ЛИНИЯ СМАЗКИ ТУРБОНАГНЕТАТЕЛЯ ГОЛОВКА ЦИЛИНДРОВ

Схема запчастей Komatsu PC300LC-5 - ЛИНИЯ СМАЗКИ ТУРБОНАГНЕТАТЕЛЯ ГОЛОВКА ЦИЛИНДРОВ
15
3
1
2
10
9
6
7
5
11
6
13
8
12
4
13
14
FIT
1:1
100%

Артикул

Название

Примечание

Количество

1

6221-51-8120

TUBE, INLET

2

6151-51-8710

GASKET

3

01435-20830

BOLT

4

07213-51013

CONNECTOR

5

6221-51-8651

BRACKET

6

01435-21020

BOLT

7

01584-01008

NUT

8

04434-51010

CLIP

9

6221-51-8320

PIPE, OUTLET

10

6131-51-7681

GASKET

11

01435-01020

BOLT

12

6221-51-8390

HOSE

13

07281-00359

CLAMP

Выбрано товаров: 0