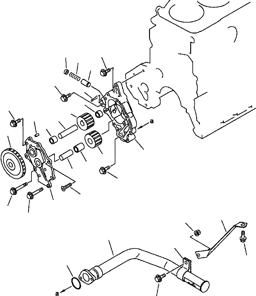
Запчасти Komatsu PC300LC-5 СМАЗЫВ. НАСОС И ВСАСЫВАЮЩИЙ ПАТРУБОК СИСТЕМА СМАЗКИ МАСЛ. СИСТЕМА

Схема запчастей Komatsu PC300LC-5 - СМАЗЫВ. НАСОС И ВСАСЫВАЮЩИЙ ПАТРУБОК СИСТЕМА СМАЗКИ МАСЛ. СИСТЕМА
13
18
12
11
19
14
2
17
8
16
9
4
10
1
6
7
5
23
15
3
20
24
25
29
21
27
26
22
28
FIT
1:1
100%

Артикул

Название

Примечание

Количество

|$0

6221-51-1100

PUMP ASSEMBLY, OIL

|$1

6221-51-1200

BODY ASSEMBLY

1

NSS

BODY

2

6136-52-1220

BUSHING

|$4

6221-51-1300

COVER ASSEMBLY

3

NSS

COVER

4

6136-52-1330

BUSHING

5

6136-52-1320

SHAFT, DRIVEN

|$8

6136-52-1400

GEAR ASSEMBLY

6

NSS

GEAR, DRIVEN

7

6136-52-1420

BUSHING

|$11

6221-51-1500

SHAFT ASSEMBLY

8

NSS

GEAR, DRIVE

9

6221-51-1520

SHAFT

10

6221-51-1610

GEAR, DRIVE

11

6221-51-1640

VALVE

12

6221-51-1650

SPRING

13

6150-51-1652

RETAINER

14

04050-04035

PIN, COTTER

15

01236-40820

SCREW

16

6136-52-1620

PIN

17

01435-00820

BOLT

18

04135-20825

BOLT

19

01435-20840

BOLT

20

01435-20855

BOLT

21

6221-51-6210

PIPE, OIL SUCTION

22

07000-63035

O-RING

23

01435-20820

BOLT

24

01435-20850

BOLT

25

6221-51-6110

BRACKET

26

01435-21020

BOLT

27

6136-51-6230

CLAMP

28

01435-20820

BOLT

29

01584-00806

NUT

Выбрано товаров: 34