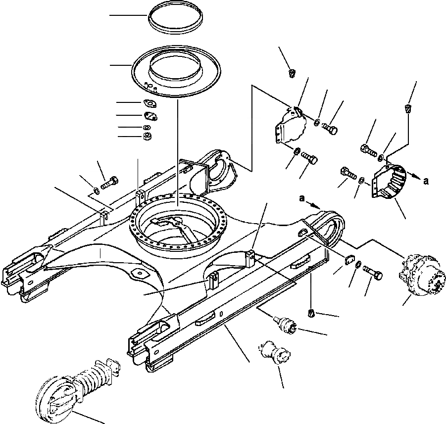
Запчасти Komatsu PC300LC-5 ГУСЕНИЧНАЯ РАМА И КОМПОНЕНТЫ ХОД И НИЖН.CARRIAGE

Схема запчастей Komatsu PC300LC-5 - ГУСЕНИЧНАЯ РАМА И КОМПОНЕНТЫ ХОД И НИЖН.CARRIAGE
7
21
10
16
21
18
17
12
17
11
14
18
13
3
8
9
20
19
2
19
3
20
15
4
6
2
5
26
22
24
1
23
25
FIT
1:1
100%

Артикул

Название

Примечание

Количество

1

207-30-52113

FRAME, TRACK - UNITS WITHOUT UNDER COVER

2

207-30-51280

PLATE, TOP IDLER MOUNTING (WELDED)

3

207-30-51270

PLATE, TOP IDLER MOUNTING (WELDED)

1

207-30-52130

FRAME, TRACK - UNITS WITH UNDER COVER

2

207-30-51280

PLATE, TOP IDLER MOUNTING (WELDED)

3

207-30-51270

PLATE, TOP IDLER MOUNTING (WELDED)

4

207-30-52121

PLATE

5

01010-32070

BOLT

6

01643-32060

WASHER

7

207-30-71171

SEAL, SWING CIRCLE - INNER

8

01011-32000

BOLT

9

01643-32060

WASHER

10

207-30-51211

COVER, SWING CIRCLE

11

205-30-71181

COVER

12

205-30-71191

GASKET

13

01580-11008

NUT

14

01643-31032

WASHER

15

207-30-51241

L.H. COVER, TRAVEL MOTOR

16

207-30-51251

R.H. COVER, TRAVEL MOTOR

17

01010-81255

BOLT

18

01643-31232

WASHER

19

01010-81240

BOLT

20

01643-31212

WASHER

21

07049-01215

PLUG

22

07049-02430

PLUG

Выбрано товаров: 25