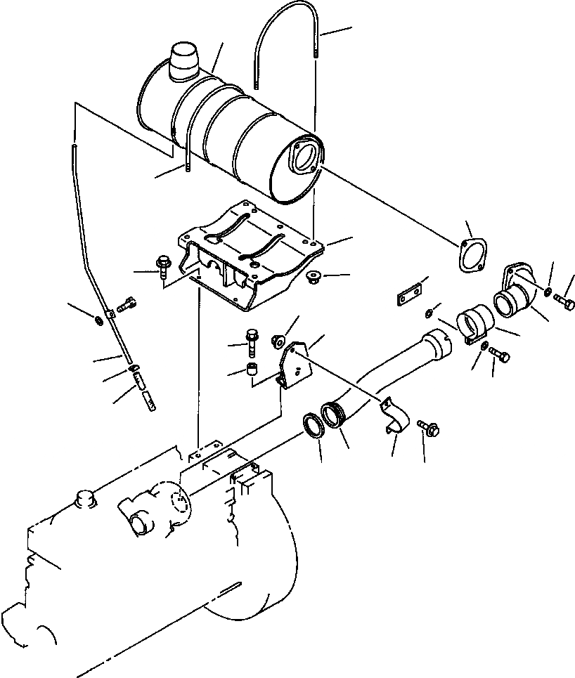
Запчасти Komatsu PC300LC-5 ГЛУШИТЕЛЬ И КРЕПЛЕНИЕ КОМПОНЕНТЫ ДВИГАТЕЛЯ & ЭЛЕКТРИКА

Схема запчастей Komatsu PC300LC-5 - ГЛУШИТЕЛЬ И КРЕПЛЕНИЕ КОМПОНЕНТЫ ДВИГАТЕЛЯ & ЭЛЕКТРИКА
4
1
4
9
2
11
10
14
3
5
23
15
21
16
8
12
17
22
18
15
25
13
24
6
19
20
7
FIT
1:1
100%

Артикул

Название

Примечание

Количество

1

6222-11-5410

MUFFLER

2

6222-11-5510

BRACKET

3

01435-01225

BOLT

4

6222-11-5940

U-BOLT

5

01584-01008

NUT

6

6222-11-5610

TUBE, EXHAUST

7

6137-11-5291

RING, SEAL

8

6222-11-5350

CONNECTOR

9

6222-11-5970

GASKET

10

01010-61030

BOLT

11

01643-31032

WASHER

12

6210-11-5232

CLAMP

13

01010-61245

BOLT

14

6206-11-5850

PLATE

15

01643-51232

WASHER

16

6222-11-5520

BRACKET

17

01435-01045

BOLT

18

6134-12-5120

SPACER

19

6222-11-5960

CLAMP

20

01435-01225

BOLT

21

01584-01210

NUT

22

6222-11-5460

TUBE, DRAIN

23

6691-21-6360

SPACER

24

07260-20932

HOSE, DRAIN

25

6136-11-5680

CLIP

25

07285-00155

CLIP

Выбрано товаров: 26