Запчасти Komatsu PC300LC-5K ЭЛЕКТРОПРОВОДКА В КАБИНЕ (ДЛЯ ПАНЕЛЬ СТОЙКА) КОМПОНЕНТЫ ДВИГАТЕЛЯ И ЭЛЕКТРИКА

Схема запчастей Komatsu PC300LC-5K - ЭЛЕКТРОПРОВОДКА В КАБИНЕ (ДЛЯ ПАНЕЛЬ СТОЙКА) КОМПОНЕНТЫ ДВИГАТЕЛЯ И ЭЛЕКТРИКА
FIT
1:1
100%

Артикул

Название

Примечание

Количество

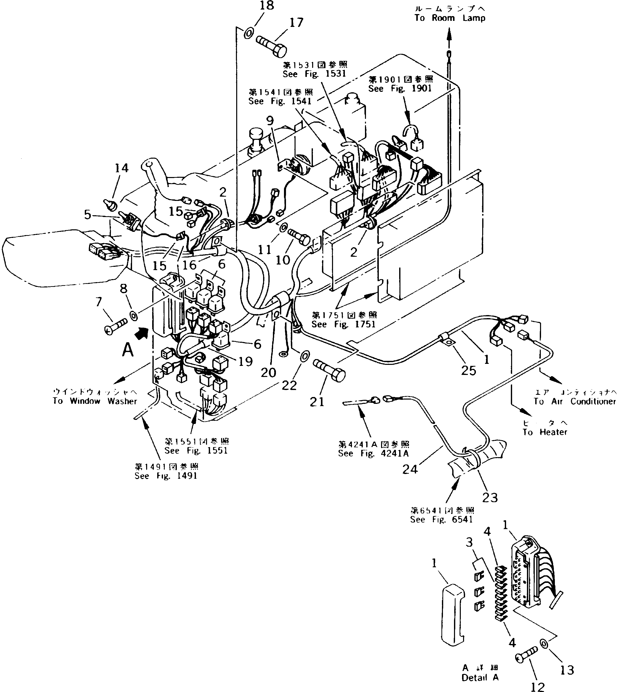
1

207-06-K1213

WIRING HARNESS,(EC SAFETY REGULATION)

|1

207-06-K1211

WIRING HARNESS

2

08020-00000

DIODE

3

205-06-73180

FUSE¤ 15A

4

283-06-16190

FUSE¤ 10A

5

23S-06-14410

SWITCH

6

205-06-K1480

RELAY

7

01220-40512

SCREW

8

01641-20508

WASHER

9

203-06-56230

BUZZER ASS'Y

10

01010-50610

BOLT

11

01643-30623

WASHER

12

01220-40616

SCREW

13

01642-20608

WASHER

14

203-06-41680

CAP

15

08051-00801

CLIP

16

08036-03014

CLIP

17

01010-51220

BOLT

18

01643-31232

WASHER

19

08036-01814

CLIP

20

08036-02514

CLIP

21

01010-51220

BOLT

22

01643-31232

WASHER

23

08034-00823

BAND

24

20Y-06-16380

WIRING HARNESS

25

08036-01214

CLIP

Выбрано товаров: 26