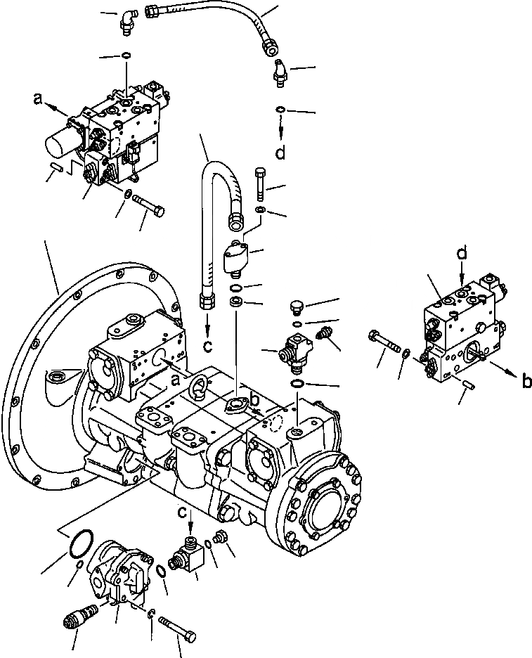
Запчасти Komatsu PC300LC-5LC ГИДР. НАСОС. ASSEMBLY COMPLETE ASSEMBLY УПРАВЛ-Е РАБОЧИМ ОБОРУДОВАНИЕМ

Схема запчастей Komatsu PC300LC-5LC - ГИДР. НАСОС. ASSEMBLY COMPLETE ASSEMBLY УПРАВЛ-Е РАБОЧИМ ОБОРУДОВАНИЕМ
13
14
15
14
15
21
19
10
8
20
12
1
11
16
9
17
29
18
30
26
27
11
12
28
10
23
24
4
22
5
25
2
7
3
6
FIT
1:1
100%

Артикул

Название

Примечание

Количество

|$0

708-27-04013

PUMP ASSEMBLY, COMPLETE HYDRAULIC

1

708-27-04113

PUMP ASSEMBLY, MAIN HYDRAULIC

4

07000-02075

O-RING

5

07000-02020

O-RING

6

01011-51010

BOLT

7

01602-01030

WASHER, SPRING

10

04020-00616

PIN, DOWEL

11

708-25-19130

BOLT

12

01602-00825

WASHER, SPRING

13

07102-20203

HOSE

14

07235-10210

ELBOW

15

07002-01423

O-RING

16

708-27-14210

ELBOW

17

07000-02021

O-RING

18

720-68-15240

FILTER

19

01010-50855

BOLT

20

01643-30823

WASHER

21

07102-20505

HOSE

22

207-62-33710

TEE

23

07040-11409

PLUG

24

07002-01423

O-RING

25

07002-02434

O-RING

26

207-62-31770

TEE

27

20B-27-11210

BLEEDER

28

07002-02434

O-RING

29

07040-11409

PLUG

30

07002-01423

O-RING

Выбрано товаров: 0