Запчасти Komatsu PC300LC-5LC СОЛЕНОИДНЫЙ КЛАПАН РУКОЯТЬ FINISHING OPERATION MODE УПРАВЛ-Е РАБОЧИМ ОБОРУДОВАНИЕМ

Схема запчастей Komatsu PC300LC-5LC - СОЛЕНОИДНЫЙ КЛАПАН РУКОЯТЬ FINISHING OPERATION MODE УПРАВЛ-Е РАБОЧИМ ОБОРУДОВАНИЕМ
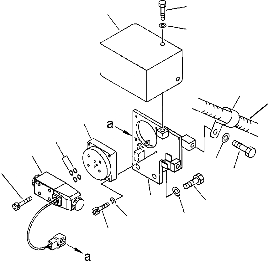
11
10
12
13
16
4
2
1
15
3
14
7
8
9
6
5
FIT
1:1
100%

Артикул

Название

Примечание

Количество

1

20Y-60-11470

VALVE ASSEMBLY, SOLENOID

2

205-62-74580

O-RING

3

01252-40545

BOLT

4

20Y-62-15590

BLOCK

5

01252-40530

BOLT

6

01601-20513

WASHER

7

207-62-53681

BRACKET

8

01010-51230

BOLT

9

01643-31232

WASHER

10

207-62-53691

COVER

11

01010-51025

BOLT

12

01643-31032

WASHER

13

23T-62-12160

CLIP

14

01010-51225

BOLT

15

01643-31232

WASHER

Выбрано товаров: 15