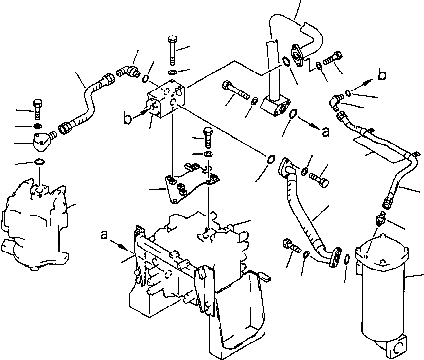
Запчасти Komatsu PC300LC-5LC ВОЗВРАТ. ТРУБЫ УПРАВЛ-Е РАБОЧИМ ОБОРУДОВАНИЕМ

Схема запчастей Komatsu PC300LC-5LC - ВОЗВРАТ. ТРУБЫ УПРАВЛ-Е РАБОЧИМ ОБОРУДОВАНИЕМ
10
6
8
7
5
9
12
14
11
25
3
24
13
14
4
31
20
11
1
18
21
17
26
2
16
19
22
15
30
28
23
29
17
27
18
16
FIT
1:1
100%

Артикул

Название

Примечание

Количество

1

207-62-52221

ELBOW

2

07000-03045

O-RING

3

01010-51255

BOLT

4

01643-31232

WASHER

5

07102-21005

HOSE

6

07235-11034

ELBOW

7

07002-03334

O-RING

8

01011-51225

BOLT

9

01643-31232

WASHER

10

207-62-52180

TUBE

11

07000-03045

O-RING

12

01010-51235

BOLT

13

01011-51220

BOLT

14

01643-31232

WASHER

15

207-62-52231

HOSE

16

07000-13048

O-RING

17

01010-51240

BOLT

18

01643-31232

WASHER

19

207-62-52272

BRACKET

20

01010-51225

BOLT

21

01643-31232

WASHER

22

07102-20308

HOSE

23

07238-00315

CONNECTOR

24

07235-10315

ELBOW

25

07002-02034

O-RING

26

08036-01814

CLIP

Выбрано товаров: 26