Качественные детали и логистика
Оригинальные и аналоговые запчасти с доставкой по России, Казахстану и Беларуси
©2022 PartSell ООО "Система" ИНН 2463123282 ОГРН 1212400004838
Центральный офис: г. Красноярск, Академика Киренского, д.87, пом.4
Телефон: 8 (800) 777-65-74 Email: zakaz@partsell.ru
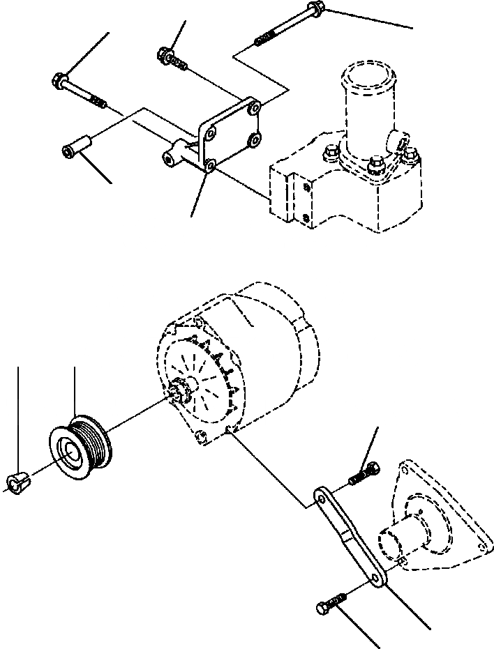
КРЕПЛЕНИЕ ГЕНЕРАТОРА
№
Артикул
Название
Примечание
Количество
1
1295 146 H1
BOLT
2
1240 142 H1
3
1240 590 H1
4
1294 801 H1
BRACE, ALTERNATOR
5
1241 084 H1
PULLEY, ALTERNATOR
6
1241 085 H1
RETAINER, PULLEY
7
1294 803 H1
8
1258 622 H1
SPACER, MOUNTING
9
1253 415 H2
SUPPORT, ALTERNATOR
Выбрано товаров: 0