Запчасти Komatsu PC300LC-5LC ГУСЕНИЧНАЯ РАМА И КОМПОНЕНТЫ ХОД И НИЖН.CARRIAGE

Схема запчастей Komatsu PC300LC-5LC - ГУСЕНИЧНАЯ РАМА И КОМПОНЕНТЫ ХОД И НИЖН.CARRIAGE
7
21
10
16
21
18
12
17
11
17
14
18
13
3
8
9
20
19
2
19
20
3
15
4
6
2
5
26
22
24
1
23
25
FIT
1:1
100%

Артикул

Название

Примечание

Количество

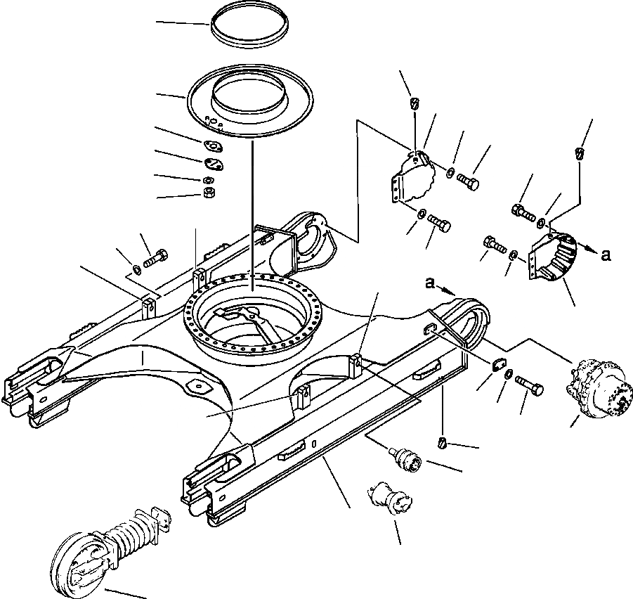
1

207-30-52113

FRAME, TRACK

2

207-30-51280

PLATE, TOP IDLER MOUNTING (WELDED)

3

207-30-51270

PLATE, TOP IDLER MOUNTING (WELDED)

1

207-30-52130

FRAME, TRACK

2

207-30-51280

PLATE, TOP IDLER MOUNTING (WELDED)

3

207-30-51270

PLATE, TOP IDLER MOUNTING (WELDED)

4

207-30-52121

PLATE

5

01010-32070

BOLT

6

01643-32060

WASHER

7

207-30-71171

SEAL, SWING CIRCLE INNER

8

01011-32000

BOLT

9

01643-32060

WASHER

10

207-30-51211

COVER, SWING CIRCLE

11

205-30-71181

COVER

12

205-30-71191

GASKET

13

01580-11008

NUT

14

01643-31032

WASHER

15

207-30-51241

COVER, TRAVEL MOTOR, L.H

16

207-30-51251

COVER TRAVEL MOTOR, R.H

17

01010-51255

BOLT

18

01643-31232

WASHER

19

01010-51240

BOLT

20

01643-31212

WASHER

21

07049-01215

PLUG

22

07049-02430

PLUG

Выбрано товаров: 25