Запчасти Komatsu PC300LC-6 ЛИНИЯ ПОДАЧИ (БЕЗ ПРОПУСКН. КЛАПАН)(№-) ГИДРАВЛИКА

Схема запчастей Komatsu PC300LC-6 - ЛИНИЯ ПОДАЧИ (БЕЗ ПРОПУСКН. КЛАПАН)(№-) ГИДРАВЛИКА
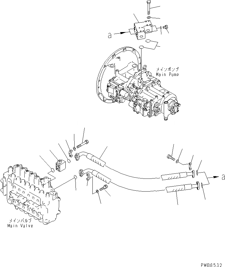
1
2
3
4
5
6
7
8
8
9
10
10
11
12
13
14
15
16
17
18
19
20
21
FIT
1:1
100%

Артикул

Название

Примечание

Количество

1

207-62-63570

BLOCK

2

01011-81000

BOLT

3

01643-31032

WASHER

4

07000-13035

O-RING

5

07040-11007

PLUG

6

07002-11023

O-RING

7

208-62-61131

HOSE¤ 1180MM

8

07000-13032

O-RING

9

07085-01011

HOSE

10

07000-13032

O-RING

11

07371-31049

FLANGE

12

07372-21035

BOLT

13

01643-51032

WASHER

14

207-62-61551

BLOCK

15

07000-13032

O-RING

16

07371-31049

FLANGE

17

205-62-51310

BOLT

18

01643-51032

WASHER

19

07371-31049

FLANGE

20

07372-21035

BOLT

21

01643-51032

WASHER

Выбрано товаров: 0