Качественные детали и логистика
Оригинальные и аналоговые запчасти с доставкой по России, Казахстану и Беларуси
©2022 PartSell ООО "Система" ИНН 2463123282 ОГРН 1212400004838
Центральный офис: г. Красноярск, Академика Киренского, д.87, пом.4
Телефон: 8 (800) 777-65-74 Email: zakaz@partsell.ru
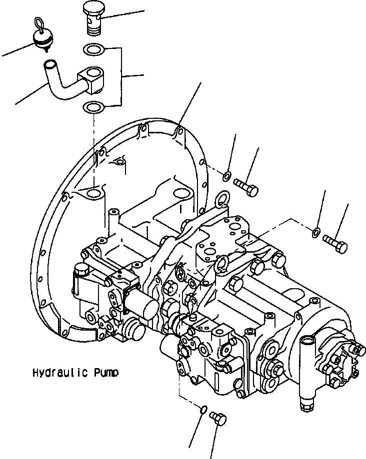
FIG. H-A ОСНОВН. ГИДР. НАСОС. - СОЕДИНИТЕЛЬН. ЧАСТИ
№
Артикул
Название
Примечание
Количество
1
708-2H-00130
PUMP, MAIN
2
207-01-31141
BOLT
3
07005-03016
GASKET
4
207-01-31150
GAUGE, OIL LEVEL
5
207-01-61190
TUBE
6
01010-81240
7
01010-81245
8
01643-31232
WASHER
9
07040-11209
PLUG
10
07002-11223
O-RING
Выбрано товаров: 0