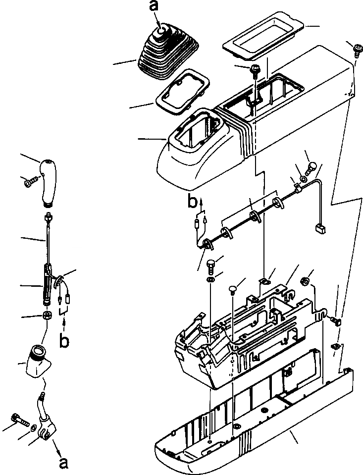
Запчасти Komatsu PC300LC-6LC FIG. K-A ПРАВ. СТОЙКА - РЫЧАГ С КЛАПАНОМ PPC КАБИНА ОПЕРАТОРА И СИСТЕМА УПРАВЛЕНИЯ

Схема запчастей Komatsu PC300LC-6LC - FIG. K-A ПРАВ. СТОЙКА - РЫЧАГ С КЛАПАНОМ PPC КАБИНА ОПЕРАТОРА И СИСТЕМА УПРАВЛЕНИЯ
15
26
21
13
12
12
6
5
11
16
1
14
17
2
18
4
25
20
23
24
10
18
22
3
9
23
8
27
28
19
7
FIT
1:1
100%

Артикул

Название

Примечание

Количество

|$0

20Y-43-22790

LEVER ASSEMBLY, RH

1

20Y-43-22241

LEVER, RH

2

01370-10308

SCREW

|$3

20Y-43-22390

KNOB, RH

3

20Y-43-22421

INSERT

4

20Y-43-22441

SWITCH, LH

5

20Y-43-22250

PLATE

6

20Y-43-22261

BOOT

7

20Y-43-22820

LEVER, RH

8

20Y-43-22830

BOOT

9

600-411-1280

NUT

10

08034-00310

BAND

11

20Y-43-22121

CASE

12

20Y-43-16590

SCREW

13

20Y-43-22860

COVER, R.H.

14

20Y-06-21350

HARNESS, WIRING

15

04434-51408

CLIP

16

01010-80820

BOLT

17

01643-30823

WASHER

18

08034-20519

BAND

|$20

20Y-43-21651

COVER ASSEMBLY

19

20Y-43-22111

CASE

20

20Y-43-22131

FRAME

21

20Y-43-22310

CLIP

22

20Y-43-22470

BOLT

23

20Y-43-22480

NUT, SPRING

24

198-911-5530

NUT

25

01010-81030

BOLT

26

01643-31032

WASHER

27

01252-41025

BOLT

28

01643-31032

WASHER

Выбрано товаров: 31