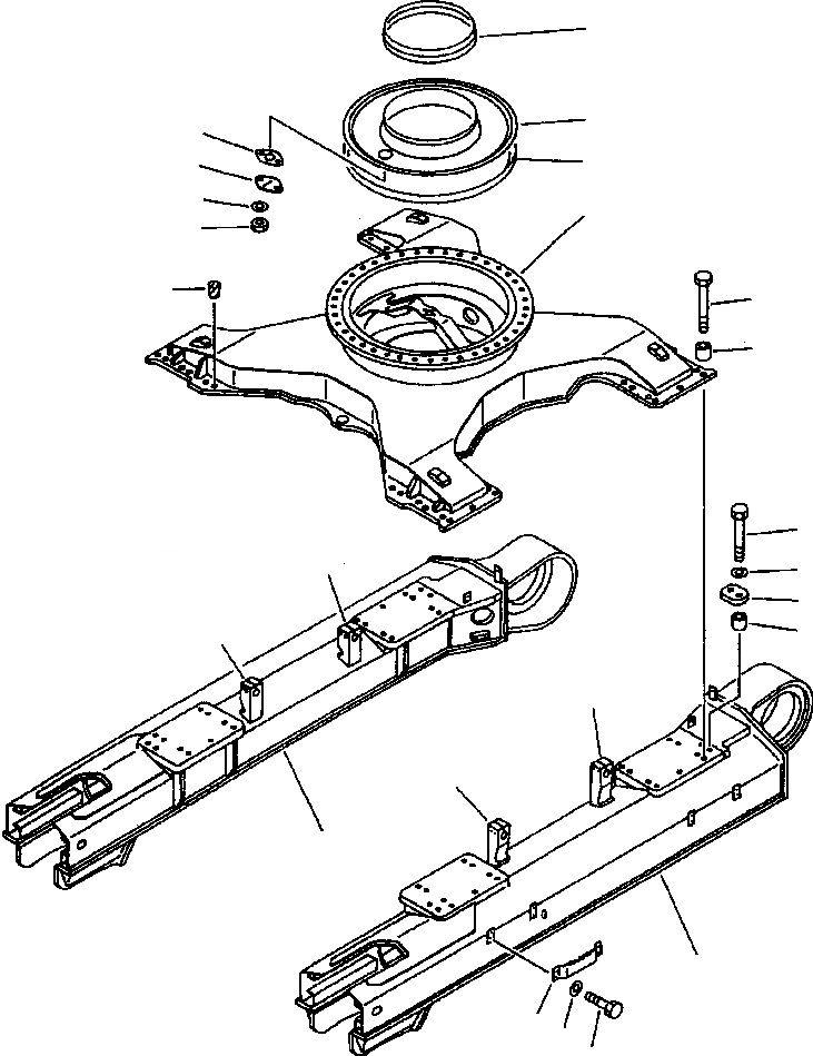
Запчасти Komatsu PC300LC-6LC FIG. R-A ГУСЕНИЧНАЯ РАМА - РЕГУЛЯТОР ХОДОВАЯ

Схема запчастей Komatsu PC300LC-6LC - FIG. R-A ГУСЕНИЧНАЯ РАМА - РЕГУЛЯТОР ХОДОВАЯ
2
3
5
4
8
7
1
6
24
19
18
22
14
23
20
13
21
10
11
12
9
15
17
16
FIT
1:1
100%

Артикул

Название

Примечание

Количество

1

208-30-67310

FRAME

2

205-30-71171

SEAL

3

208-30-61220

COVER

4

205-30-71181

COVER

5

205-30-77191

GASKET

6

01580-11008

NUT

7

01643-31032

WASHER

8

207-30-51260

SEAL

9

208-30-65141

FRAME, L.H.

10

208-30-61E60

PLATE

11

208-30-61E70

PLATE

12

208-30-65151

FRAME, R.H.

13

208-30-61E60

PLATE

14

208-30-61E70

PLATE

15

208-30-61260

BRACKET

16

01010-81640

BOLT

17

01643-31645

WASHER

18

196-50-11220

SPACER

19

208-30-12130

BOLT

20

208-30-12160

PLATE

21

208-30-31650

COLLAR

22

01011-63030

BOLT

23

01643-33080

WASHER

24

07049-03949

PLUG

Выбрано товаров: 24