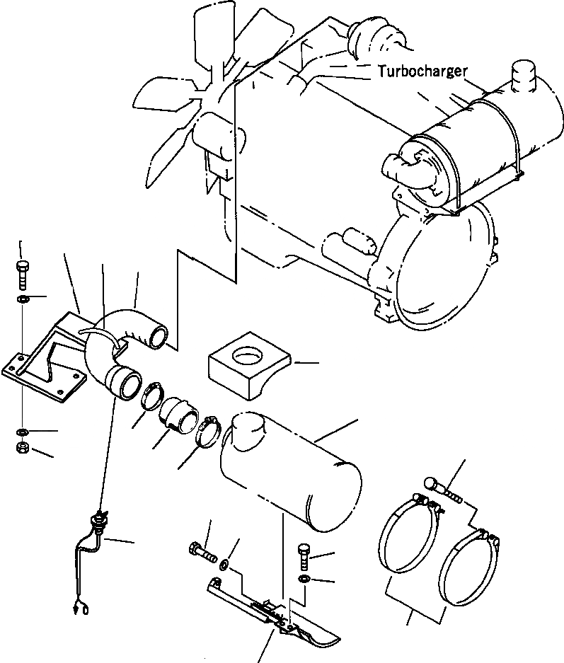
Запчасти Komatsu PC300LC-6LC FIG. B-A ВОЗДУХООЧИСТИТЕЛЬ СОЕДИН-ЕS - БЕЗ КОНДИЦ. КОМПОНЕНТЫ ДВИГАТЕЛЯ

Схема запчастей Komatsu PC300LC-6LC - FIG. B-A ВОЗДУХООЧИСТИТЕЛЬ СОЕДИН-ЕS - БЕЗ КОНДИЦ. КОМПОНЕНТЫ ДВИГАТЕЛЯ
13
12
9
8
14
7
1
11
16
3
18
10
17
5
6
15
5
6
2
4
FIT
1:1
100%

Артикул

Название

Примечание

Количество

2

6151-11-4840

BAND, MOUNT CLEANER

3

6643-11-4641

BOLT

4

207-01-68240

BRACKET

5

01010-81230

BOLT

6

01643-31232

WASHER

7

207-54-68120

SHEET

8

207-01-68180

TUBE

9

07283-21079

CLIP

10

01583-11207

NUT

11

01643-31232

WASHER

12

207-01-68190

BRACKET

13

01010-81020

BOLT

14

01643-31032

WASHER

15

7861-91-1420

SENSOR, AIR CLEANER

Выбрано товаров: 14