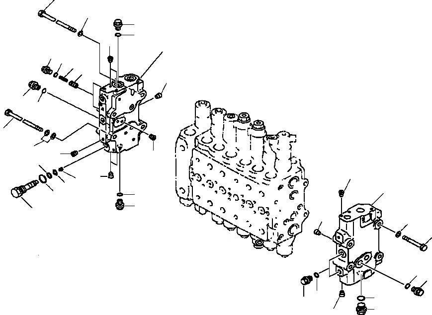
Запчасти Komatsu PC300LC-6LE FIG. H-A ОСНОВН. УПРАВЛЯЮЩ. КЛАПАН - END КРЫШКАASSEMBLIES ГИДРАВЛИКА

Схема запчастей Komatsu PC300LC-6LE - FIG. H-A ОСНОВН. УПРАВЛЯЮЩ. КЛАПАН - END КРЫШКАASSEMBLIES ГИДРАВЛИКА
22
21
7
8
2
1
16
17
15
14
2
7
8
22
21
2
3
12
5
2
10
13
4
8
11
7
9
6
21
20
8
7
8
19
7
18
5
FIT
1:1
100%

Артикул

Название

Примечание

Количество

|$1

723-46-00640

END COVER ASSEMBLY

1

NSS

COVER

2

NSS

PLUG

3

NSS

PLUG

|$5

723-46-00620

END COVER ASSEMBLY

4

NSS

COVER

5

NSS

PLUG

6

NSS

PLUG

7

723-46-15180

PLUG

8

07002-11823

O-RING

|$11

723-46-15100

PLUG ASSEMBLY

9

NSS

PLUG

10

NSS

SCREW

11

07002-11423

O-RING

12

07000-11007

O-RING

13

07001-01007

RING, BACK-UP

14

723-46-15190

VALVE

15

723-46-14140

SPRING

16

708-8E-16160

PLUG

17

07002-11023

O-RING

18

709-74-91860

PLUG

19

07002-12434

O-RING

20

01010-61490

BOLT

21

01643-31445

WASHER

22

01011-61455

BOLT

Выбрано товаров: 0