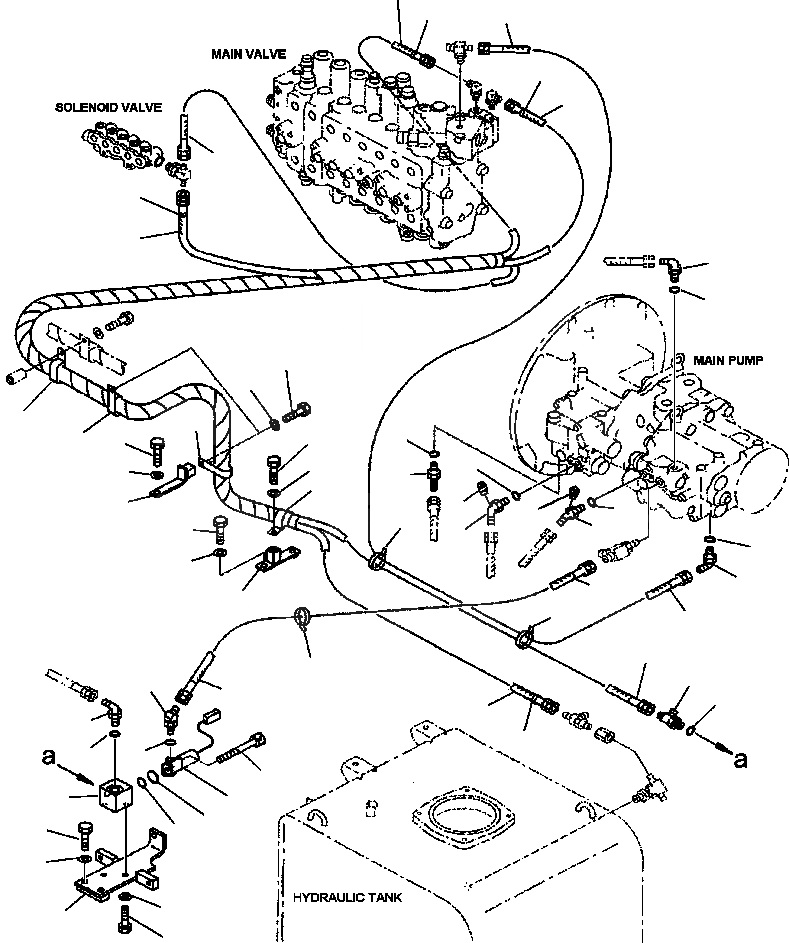
Запчасти Komatsu PC300LC-6LE FIG. H8-A ГИДРОЛИНИЯ - LS ЛИНИЯ - ЛИНИЯ НАСОСА И КЛАПАН EPC ГИДРАВЛИКА

Схема запчастей Komatsu PC300LC-6LE - FIG. H8-A ГИДРОЛИНИЯ - LS ЛИНИЯ - ЛИНИЯ НАСОСА И КЛАПАН EPC ГИДРАВЛИКА
12
9
10
8
11
13
8
11
1
2
25
26
23
22
25
21
2
19
26
5
20
1
24
18
4
5
14
4
16
3
3
7
17
6
27
15
14
10
13
28
41
39
27
42
12
43
9
44
40
38
35
32
36
30
37
31
34
29
33
FIT
1:1
100%

Артикул

Название

Примечание

Количество

1

07235-10210

ELBOW

2

07002-11423

O-RING

3

07236-50210

ELBOW

4

07042-30108

PLUG

5

07002-11423

O-RING

6

07235-10210

ELBOW

7

07002-11423

O-RING

8

20Y-62-22790

BAND, RED

9

20Y-62-22820

BAND, BLUE

10

07102-20218

HOSE

11

07102-20313

HOSE

12

07102-20316

HOSE

13

07102-20321

HOSE

14

08034-00519

STRAP, TIE

15

207-62-62551

BRACKET

16

01010-81230

BOLT

17

01643-31232

WASHER

18

207-62-62120

PLATE

19

01010-81230

BOLT

20

01643-31232

WASHER

21

04435-52112

CLIP

22

155-61-15350

CLIP

23

04434-51712

CLIP

24

04434-51712

CLIP

25

01010-81225

BOLT

26

01643-31232

WASHER

27

07102-20304

HOSE

28

08034-20536

STRAP, TIE

29

207-62-62532

BRACKET

30

01010-81250

BOLT

31

01643-31232

WASHER

|$31

207-62-63890

BLOCK

32

20Y-62-22110

BLOCK

33

01010-81025

BOLT

34

01643-31032

WASHER

35

702-21-07010

VALVE, SOLENOID (EPC)

36

700-93-11320

O-RING

37

07000-12011

O-RING

38

203-60-62220

BOLT

39

20Y-62-23460

ELBOW

40

07002-11423

O-RING

41

07230-20315

UNION

42

07002-12034

O-RING

43

07235-10315

ELBOW

44

07002-12034

O-RING

Выбрано товаров: 45