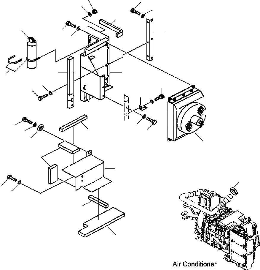
Запчасти Komatsu PC300LC-6LE FIG. K7-AB КОНДИЦ. - КОНДЕНСАТОР, ПРИЕМН., И КРЕПЛЕНИЕ КАБИНА ОПЕРАТОРА И СИСТЕМА УПРАВЛЕНИЯ

Схема запчастей Komatsu PC300LC-6LE - FIG. K7-AB КОНДИЦ. - КОНДЕНСАТОР, ПРИЕМН., И КРЕПЛЕНИЕ КАБИНА ОПЕРАТОРА И СИСТЕМА УПРАВЛЕНИЯ
7
10
8
11
13
3
9
4
5
14
12
6
17
29
15
30
28
16
23
22
15
25
24
2
20
18
1
26
27
21
19
FIT
1:1
100%

Артикул

Название

Примечание

Количество

1

07281-00419

CLAMP

2

207-979-7152

CONDENSER, A/C

3

203-979-6610

RECEIVER, DRYER - A/C

4

01010-81030

BOLT

5

01643-31032

WASHER

6

07283-27060

U-BOLT

7

01599-01011

NUT

8

01643-31032

WASHER

9

207-54-61330

FRAME

10

01010-81225

BOLT

11

175-54-34170

WASHER

12

207-54-61471

COVER

13

207-54-61740

SHEET

14

207-54-61750

SHEET

15

01010-81230

BOLT

16

01643-31232

WASHER

17

175-54-34170

WASHER

18

207-54-61480

COVER

19

207-54-61660

SHEET

20

207-54-61670

SHEET

21

207-54-61680

SHEET

22

207-54-61690

SHEET

23

01010-81230

BOLT

24

203-54-62670

COLLAR

25

01643-31232

WASHER

26

01010-81230

BOLT

27

175-54-34170

WASHER

28

207-54-61190

BRACKET

29

01010-81230

BOLT

30

01643-31232

WASHER

Выбрано товаров: 30