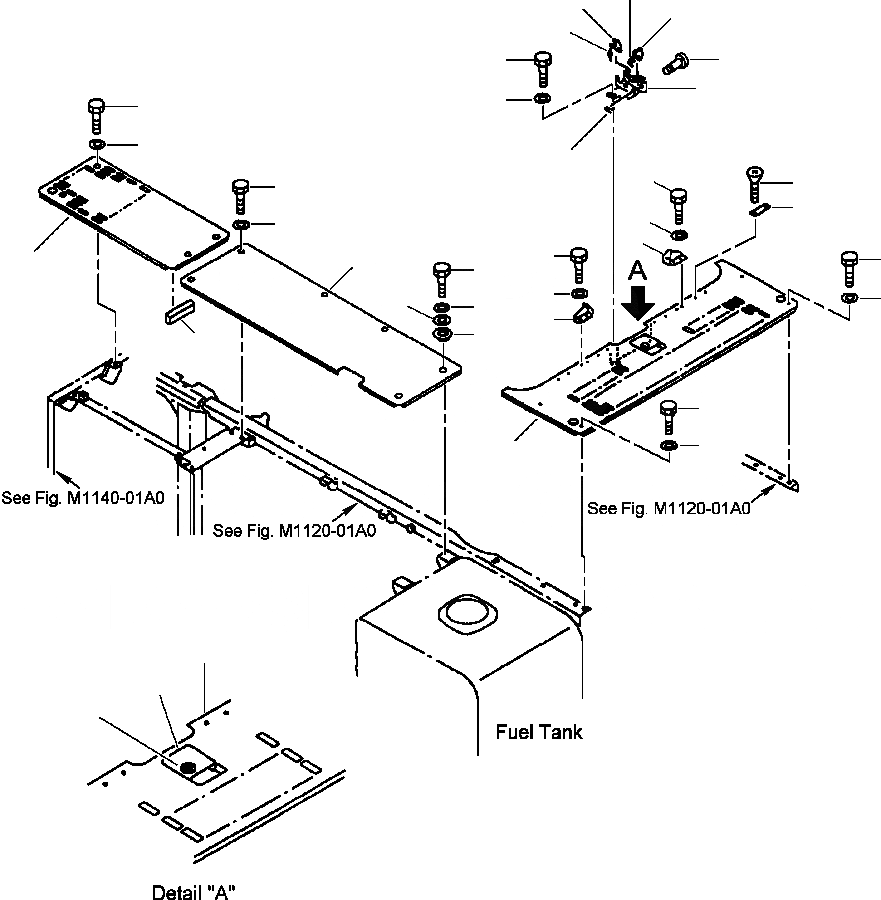
Запчасти Komatsu PC300LC-6LE FIG. M-A КРЫШКА- ВЕРХН. - С ДОПОЛН. ГИДРОЛИНИЕЙ ЧАСТИ КОРПУСА

Схема запчастей Komatsu PC300LC-6LE - FIG. M-A КРЫШКА- ВЕРХН. - С ДОПОЛН. ГИДРОЛИНИЕЙ ЧАСТИ КОРПУСА
9
7
8
10
11
13
6
14
22
23
12
17
5
25
4
18
26
16
17
24
19
21
27
18
20
29
28
15
30
31
19
20
1
1
2
3
FIT
1:1
100%

Артикул

Название

Примечание

Количество

1

207-54-68251

COVER ASSEMBLY

2

20Y-54-25850

LOCK ASSEMBLY

3

20Y-54-27540

LOCK

|$3

205-54-76280

ROTOR

4

205-54-68440

PLATE

5

01224-40616

SCREW

6

207-54-61711

BRACKET

7

207-54-61721

LEVER

8

207-54-61731

LEVER

9

21K-54-26351

SPRING

10

20X-54-21460

SPRING

11

135-43-16460

PIN

12

04050-13020

PIN

13

01010-81030

BOLT

14

01643-31032

WASHER

15

207-54-61441

BRACKET, LH

16

207-54-61450

BRACKET, RH

17

01010-81025

BOLT

18

01643-31032

WASHER

19

01010-81230

BOLT

20

01643-31232

WASHER

21

207-54-61423

COVER

22

01010-81230

BOLT

23

175-54-34170

WASHER

24

207-54-61490

COVER

25

01010-81230

BOLT

26

175-54-34170

WASHER

27

01010-81230

BOLT

28

01643-31232

WASHER

29

20Y-54-19920

PLATE

30

20Y-54-19930

COLLAR

31

207-54-61460

SHEET

Выбрано товаров: 32