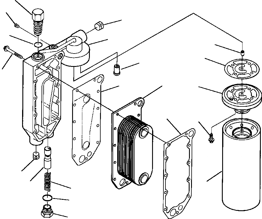
Запчасти Komatsu PC300LC-6LE FIG. A-AA СМАЗКА МАСЛООХЛАДИТЕЛЬ ДВИГАТЕЛЬ

Схема запчастей Komatsu PC300LC-6LE - FIG. A-AA СМАЗКА МАСЛООХЛАДИТЕЛЬ ДВИГАТЕЛЬ
20
5
2
19
17
13
16
18
6
8
10
15
7
14
3
4
9
1
12
11
FIT
1:1
100%

Артикул

Название

Примечание

Количество

1

6742-01-2390

SPRING, COMPRESSION

2

6732-11-1920

PLUG, PIPE (3/4 NPT)

3

6742-01-2410

PLUG, PIPE (1/2 NPT)

4

6742-01-4540

ELEMENT, OIL FILTER

5

6732-11-1930

PLUG, PIPE (1/8 NPT)

6

6742-01-2440

BOLT, MOUNTING (M8-1.25x65)

7

6742-01-1080

GASKET, OIL COOLER

8

6742-01-2450

CORE, OIL COOLER

9

6742-01-5202

PLUNGER, PRESSURE REGULATOR

10

6742-01-2460

GASKET, OIL COOLER COVER

|$10

6742-01-4220

PLUG ASSEMBLY

11

NSS

PLUG, THREADED

12

6742-01-5118

SEAL, O-RING

|$13

6743-51-5200

HEAD ASSEMBLY, OIL FILTER

13

6742-01-2480

DOWEL, RING

14

6732-21-6610

BOLT (M8-1.25x25)

15

6742-01-2500

HEAD, OIL FILTER

16

6742-01-2490

GASKET, OIL FILTER

17

6742-01-5041

COVER, OIL COOLER

18

6731-61-2151

VALVE, PRESSURE RELIEF

|$20

6742-01-5117

VALVE ASSEMBLY, BYPASS

19

6742-01-2420

SEAL, O-RING

20

6742-01-5117

VALVE, BYPASS

Выбрано товаров: 23