Качественные детали и логистика
Оригинальные и аналоговые запчасти с доставкой по России, Казахстану и Беларуси
©2022 PartSell ООО "Система" ИНН 2463123282 ОГРН 1212400004838
Центральный офис: г. Красноярск, Академика Киренского, д.87, пом.4
Телефон: 8 (800) 777-65-74 Email: zakaz@partsell.ru
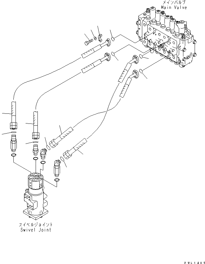
ЛИНИЯ ХОДА(№-)
№
Артикул
Название
Примечание
Количество
1
207-62-64910
HOSE ASS'Y
2
07000-13032
O-RING
3
207-62-64720
HOSE
|3
207-62-64920
4
5
07371-31049
FLANGE
6
07372-21035
BOLT
7
01643-51032
WASHER
8
207-62-64740
Выбрано товаров: 0