Запчасти Komatsu PC300LC-6Z ВОЗВРАТН. ЛИНИИ(№-) ГИДРАВЛИКА

Схема запчастей Komatsu PC300LC-6Z - ВОЗВРАТН. ЛИНИИ(№-) ГИДРАВЛИКА
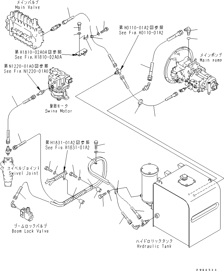
1
2
2
3
3
4
4
4
4A
5
5
6
6
7
8
9
9
10
11
12
13
14
15
16
17
18
19
20
21
22
23
FIT
1:1
100%

Артикул

Название

Примечание

Количество

1

07102-20507

HOSE

2

07102-20623

HOSE

3

07102-20523

HOSE

4

198-61-14180

CLIP

4A

20Y-62-15891

CLIP

|4A

198-61-14180

CLIP

5

01010-81225

BOLT

6

01643-31232

WASHER

7

01010-81260

BOLT

8

01643-31232

WASHER

9

142-03-11160

SPACER

10

01010-81260

BOLT

11

01643-31232

WASHER

12

207-62-61710

HOSE

13

07235-11034

ELBOW

14

07002-13334

O-RING

15

07102-20309

HOSE

16

17M-49-15260

BRACKET

17

01010-81235

BOLT

18

01643-31232

WASHER

19

04434-51812

CLIP

20

01010-81225

BOLT

21

01643-31232

WASHER

22

07102-20308

HOSE

23

08034-00536

BAND

Выбрано товаров: 25