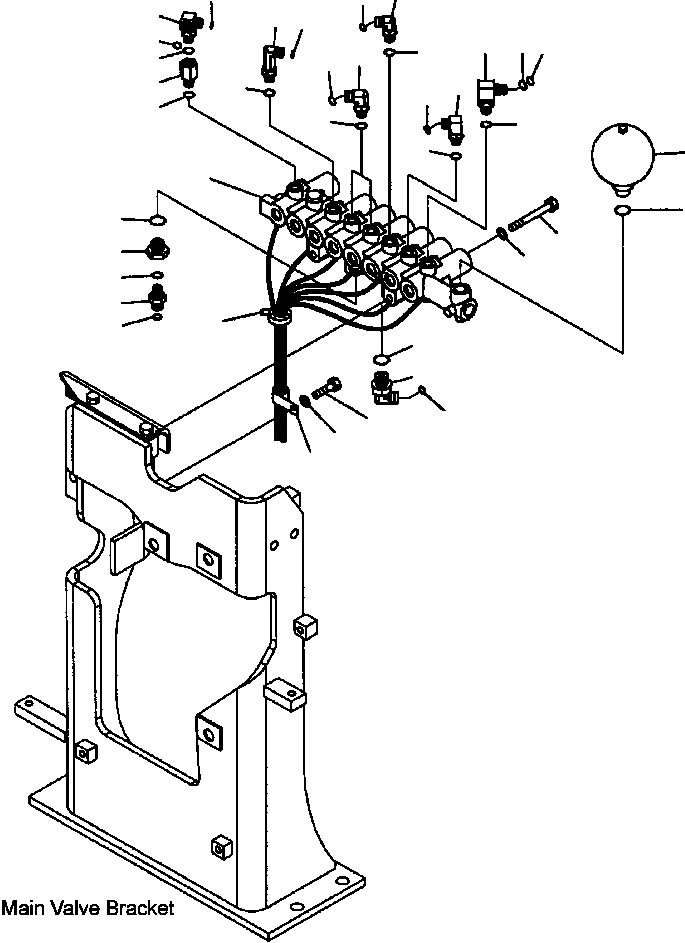
Запчасти Komatsu PC300LC-7L H8-A ГИДРОЛИНИЯ СОЛЕНОИДНЫЙ КЛАПАН - СТАНДАРТН. ГИДРАВЛИКА

Схема запчастей Komatsu PC300LC-7L - H8-A ГИДРОЛИНИЯ СОЛЕНОИДНЫЙ КЛАПАН - СТАНДАРТН. ГИДРАВЛИКА
7
15
8
14
11
12
15
4
2
3
16
9
10
16
5
13
16
6
16
16
16
16
27
1
28
21
25
20
26
24
22
32
23
19
17
18
30
31
29
FIT
1:1
100%

Артикул

Название

Примечание

Количество

2

20Y-62-22271

ELBOW

3

2O1-60-11390

O-RING

4

20Y-62-19560

O-RING

5

207-62-72120

ELBOW

6

02896-11008

O-RING

7

11Y-62-12160

ELBOW

8

02896-11008

O-RING

9

21W-62-42490

ELBOW

10

02896-11009

O-RING

11

11Y-62-12370

ELBOW

12

02896-11008

O-RING

13

21M-62-16350

ADAPTER

14

207-62-72141

ELBOW

15

02896-11008

O-RING

16

07002-11423

O-RING

17

02782-10315

ELBOW

18

02896-11009

O-RING

19

07002-12034

O-RING

20

20Y-62-21940

FILTER ASSEMBLY

21

07002-12034

O-RING

22

11Y-62-12520

NIPPLE

23

02896-11009

O-RING

24

07002-11423

O-RING

25

01010-81095

BOLT

26

01643-31032

WASHER

27

20Y-60-A1220

ACCUMULATOR

28

07002-12034

O-RING

29

04434-51912

CLIP

30

01010-81225

BOLT

31

01643-31232

WASHER

32

08034-20536

BAND

N/I

07040-11409

PLUG

N/I

07002-11423

O-RING

Выбрано товаров: 33