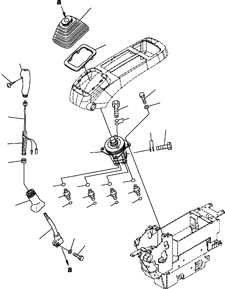
Запчасти Komatsu PC300LC-7L K-9A КАБИНА ОСНОВН. КОНСТРУКЦИЯ РЫЧАГ И КЛАПАН - ЛЕВ. заводской номер A8-A87 OPERATOR ОБСТАНОВКА И СИСТЕМА УПРАВЛЕНИЯ

Схема запчастей Komatsu PC300LC-7L - K-9A КАБИНА ОСНОВН. КОНСТРУКЦИЯ РЫЧАГ И КЛАПАН - ЛЕВ. заводской номер A8-A87 OPERATOR ОБСТАНОВКА И СИСТЕМА УПРАВЛЕНИЯ
7
6
3
2
13
14
15
5
16
17
18
4
12
9
21
21
21
21
19
19
19
19
20
8
20
20
20
11
1
10
FIT
1:1
100%

Артикул

Название

Примечание

Количество

1

20Y-43-22211

LEVER, LEFT HAND

|$1

22U-43-21181

KNOB, LEFT HAND

2

01370-10308

SCREW

3

20Y-43-22381

KNOB, LEFT HAND

4

20Y-43-22421

INSERT

5

22U-43-21211

SWITCH

6

20Y-43-22250

PLATE

7

20Y-43-22261

BOOT

8

20Y-43-22370

BOOT

9

600-411-1280

NUT

10

01252-41025

BOLT

11

01643-51032

WASHER

13

01010-80820

BOLT

14

01643-30823

WASHER

15

20Y-62-18910

BOLT, EYE

16

07000-12018

O-RING

17

20Y-62-18890

BOLT, EYE

18

07000-12015

O-RING

19

11Y-62-12520

NIPPLE

20

02896-11009

O-RING

21

07002-11423

O-RING

Выбрано товаров: 21