Запчасти Komatsu PC300LC-7L K-A КАБИНА ОСНОВН. КОНСТРУКЦИЯ ЛЕВ. - ВЕРХН. КОНСОЛЬ заводской номер A8-A87 OPERATOR ОБСТАНОВКА И СИСТЕМА УПРАВЛЕНИЯ

Схема запчастей Komatsu PC300LC-7L - K-A КАБИНА ОСНОВН. КОНСТРУКЦИЯ ЛЕВ. - ВЕРХН. КОНСОЛЬ заводской номер A8-A87 OPERATOR ОБСТАНОВКА И СИСТЕМА УПРАВЛЕНИЯ
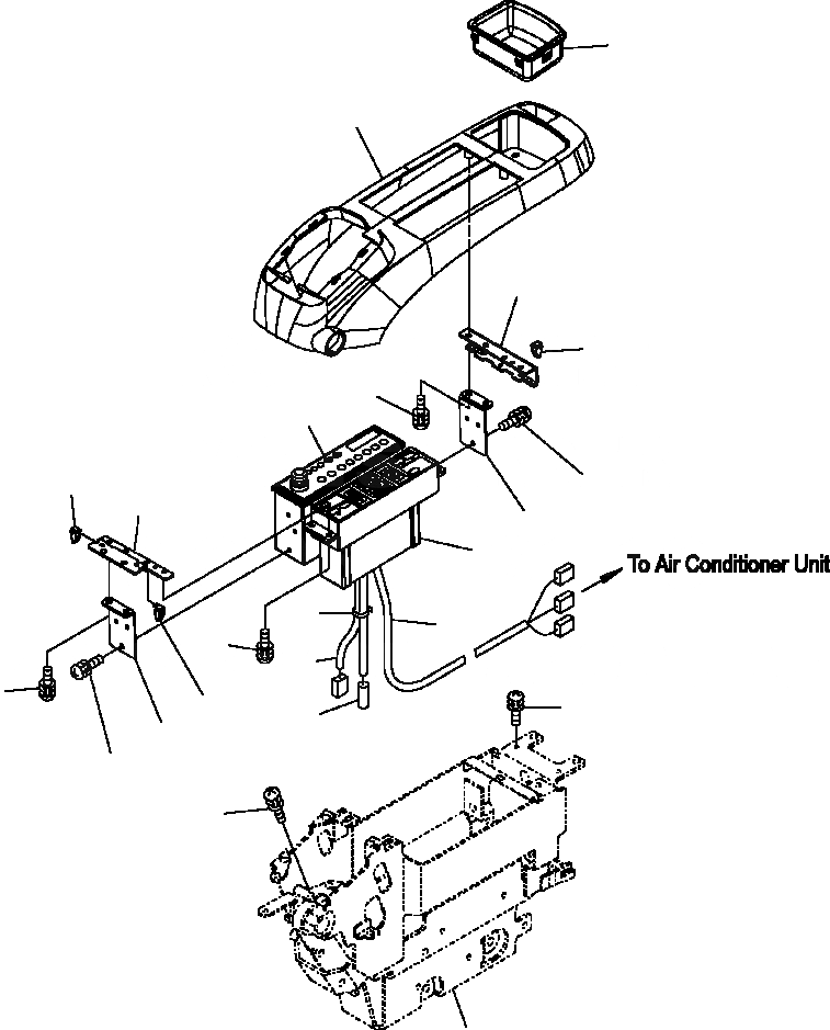
15
5
7
11
10
3
11
9
6
8
1
13
2
10
12
10
14
11
4
8
9
14
16
FIT
1:1
100%

Артикул

Название

Примечание

Количество

1

20Y-979-6141

PANEL, CONTROL

2

20Y-979-6151

WIRING HARNESS

3

20Y-06-41240

RADIO

4

08912-51600

CORD

5

22U-43-22210

COVER

6

22U-43-22220

PLATE

7

22U-43-22230

STAY

8

22U-06-22510

BRACKET

9

01023-60512

SCREW

10

01023-60516

SCREW

11

20Y-06-23770

CLIP

12

22U-06-22350

WIRING HARNESS

13

08034-00310

BAND

14

01023-60620

SCREW

15

22U-43-22110

COVER

Выбрано товаров: 15