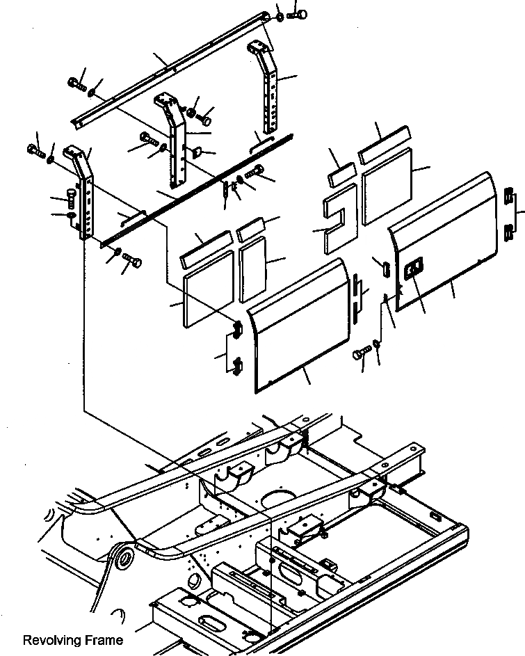
Запчасти Komatsu PC300LC-7L M-A ЛЕВ. ДВЕРЬ КАБИНА заводской номер A8-A8 ЧАСТИ КОРПУСА

Схема запчастей Komatsu PC300LC-7L - M-A ЛЕВ. ДВЕРЬ КАБИНА заводской номер A8-A8 ЧАСТИ КОРПУСА
16
17
15
25
26
11
19
18
34
23
35
13
36
12
33
21
24
22
30
28
14
37
29
23
27
6
38
33
20
34
31
7
32
17
16
3
4
30
5
8
2
10
9
1
FIT
1:1
100%

Артикул

Название

Примечание

Количество

1

207-54-71311

COVER

2

207-54-61870

HINGE

3

20Y-54-63390

SHEET

4

207-54-71341

COVER

5

198-54-41982

LOCK ASSEMBLY

6

207-54-61870

HINGE

7

20Y-54-61481

SHEET

8

205-54-53550

DOVE TAIL

9

01010-80612

BOLT

10

01643-30623

WASHER

11

207-54-71111

FRAME

12

207-54-71121

FRAME

13

207-54-71131

FRAME

14

207-54-71141

PLATE

15

207-54-71151

FRAME

16

01010-81230

BOLT

17

01643-31232

WASHER

18

20Y-54-11611

STOPPER

19

01580-11008

NUT

20

20Y-54-28170

BRACKET

21

01010-81230

BOLT

22

01643-31232

WASHER

23

20Y-54-29231

BAR

24

20Y-54-61470

PLATE

25

01010-81230

BOLT

26

01643-31232

WASHER

27

205-54-51970

DOVE TAIL

28

01010-80616

BOLT

29

01643-30623

WASHER

30

20Y-54-61451

SHEET

31

207-54-71161

SHEET

32

207-54-71180

SHEET

33

207-54-71261

SHEET

34

207-54-71290

SHEET

35

01010-81230

BOLT

36

01643-31232

WASHER

37

01010-81230

BOLT

38

01643-31232

WASHER

Выбрано товаров: 38