Качественные детали и логистика
Оригинальные и аналоговые запчасти с доставкой по России, Казахстану и Беларуси
©2022 PartSell ООО "Система" ИНН 2463123282 ОГРН 1212400004838
Центральный офис: г. Красноярск, Академика Киренского, д.87, пом.4
Телефон: 8 (800) 777-65-74 Email: zakaz@partsell.ru
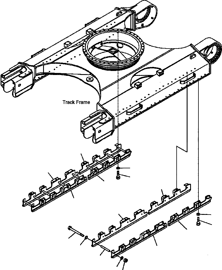
R-A ПОЛН. ЗАЩИТА КАТКОВ
№
Артикул
Название
Примечание
Количество
1
207-30-77210
GUARD, LEFT HAND
2
207-30-77220
3
207-30-77230
GUARD, RIGHT HAND
4
207-30-77240
5
01010-62450
BOLT
6
01643-32460
WASHER
7
09205-18325
8
01643-31845
9
01580-11815
NUT
10
141-30-32181
COLLAR
Выбрано товаров: 0