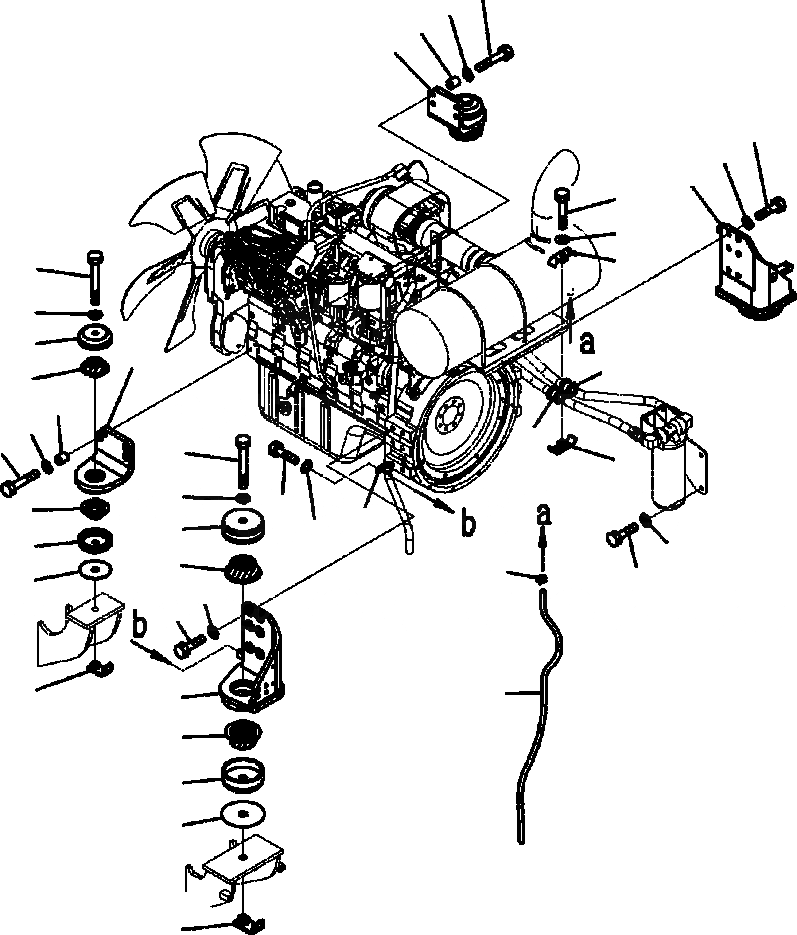
Запчасти Komatsu PC300LC-7L B-A КРЕПЛЕНИЕ ДВИГАТЕЛЯ КОМПОНЕНТЫ ДВИГАТЕЛЯ

Схема запчастей Komatsu PC300LC-7L - B-A КРЕПЛЕНИЕ ДВИГАТЕЛЯ КОМПОНЕНТЫ ДВИГАТЕЛЯ
28
29
32
25
30
31
27
17
18
4
15
7
2
24
16
1
32
29
28
16
11
15
14
1
20
19
9
21
3
34
8
23
6
33
31
30
5
26
22
8
10
13
12
FIT
1:1
100%

Артикул

Название

Примечание

Количество

1

23S-01-11140

CUSHION

2

207-01-61150

STOPPER

3

207-01-61160

STOPPER

4

207-01-55181

BOLT

5

207-01-61211

PLATE

6

207-01-55390

PLATE

7

01643-31845

WASHER

8

208-01-55220

CUSHION

9

207-01-61170

STOPPER

10

207-01-61180

STOPPER

11

208-01-11181

BOLT

12

207-01-61221

PLATE

13

207-46-31180

PLATE

14

01643-32460

WASHER

15

07094-30620

CLAMP

16

07095-00630

CUSHION

17

01010-81275

BOLT

18

01643-31232

WASHER

19

04434-52512

CLIP

20

01010-81220

BOLT

21

01643-31232

WASHER

22

07260-20932

HOSE

23

07285-00155

CLIP

24

207-01-71112

BRACKET

25

207-01-71122

BRACKET

26

207-01-71132

BRACKET

27

207-01-71141

BRACKET

28

01010-81275

BOLT

29

01643-31232

WASHER

30

01010-81645

BOLT

31

01643-31645

WASHER

32

195-43-41530

SPACER

33

01010-81230

BOLT

34

01643-31232

WASHER

Выбрано товаров: 34