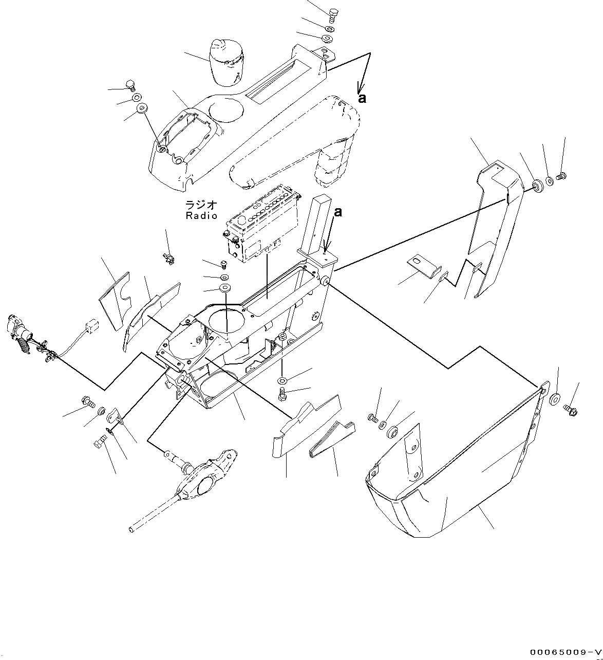
Запчасти Komatsu PC300LC-8 КАБИНА, ПОЛ, КОНСОЛЬ, ЛЕВ. (№-8) КАБИНА, -ДОПОЛН. АКТУАТОР ТРУБЫ, АККУМУЛЯТОР, С AM-FM РАДИО ДЛЯ СЕВ. АМЕРИКИ, KOMTRAX

Схема запчастей Komatsu PC300LC-8 - КАБИНА, ПОЛ, КОНСОЛЬ, ЛЕВ. (№-8) КАБИНА, -ДОПОЛН. АКТУАТОР ТРУБЫ, АККУМУЛЯТОР, С AM-FM РАДИО ДЛЯ СЕВ. АМЕРИКИ, KOMTRAX
1
3
2
4
6
5
7
8
9
10
11
16
13
12
15
16
15
16
14
14
17
21
19
18
21
20
21
20
26
25
24
28
27
22
23
29
30
FIT
1:1
100%

Артикул

Название

Примечание

Количество

1

20Y-43-41415

Frame

2

01010-81030

Bolt

3

01643-31032

Washer

4

20Y-43-41472

Bracket

5

01010-80616

Bolt

6

01643-30623

Washer

7

20Y-43-41621

Sheet

8

20Y-43-41641

Sheet

9

20Y-43-41423

Cover

10

20Y-43-41651

Sheet

11

20Y-43-41661

Sheet

12

01245-00616

Screw

13

01643-70623

Washer

14

01010-80616

Bolt

15

01643-30623

Washer

16

20Y-43-41290

Collar

17

20Y-43-41442

Cover

18

01245-00616

Screw

19

01643-70623

Washer

20

01435-00612

Bolt

21

20Y-43-41290

Collar

21

20Y-43-42450

Cover

22

Cover

23

20Y-43-42170

Tape

24

01245-00616

Screw

25

01643-70623

Washer

26

20Y-43-41290

Collar

27

22U-43-23260

Clip

28

20Y-43-41491

Ashtray

29

20Y-43-41981

Bracket

30

20Y-43-42180

Tape

Выбрано товаров: 31